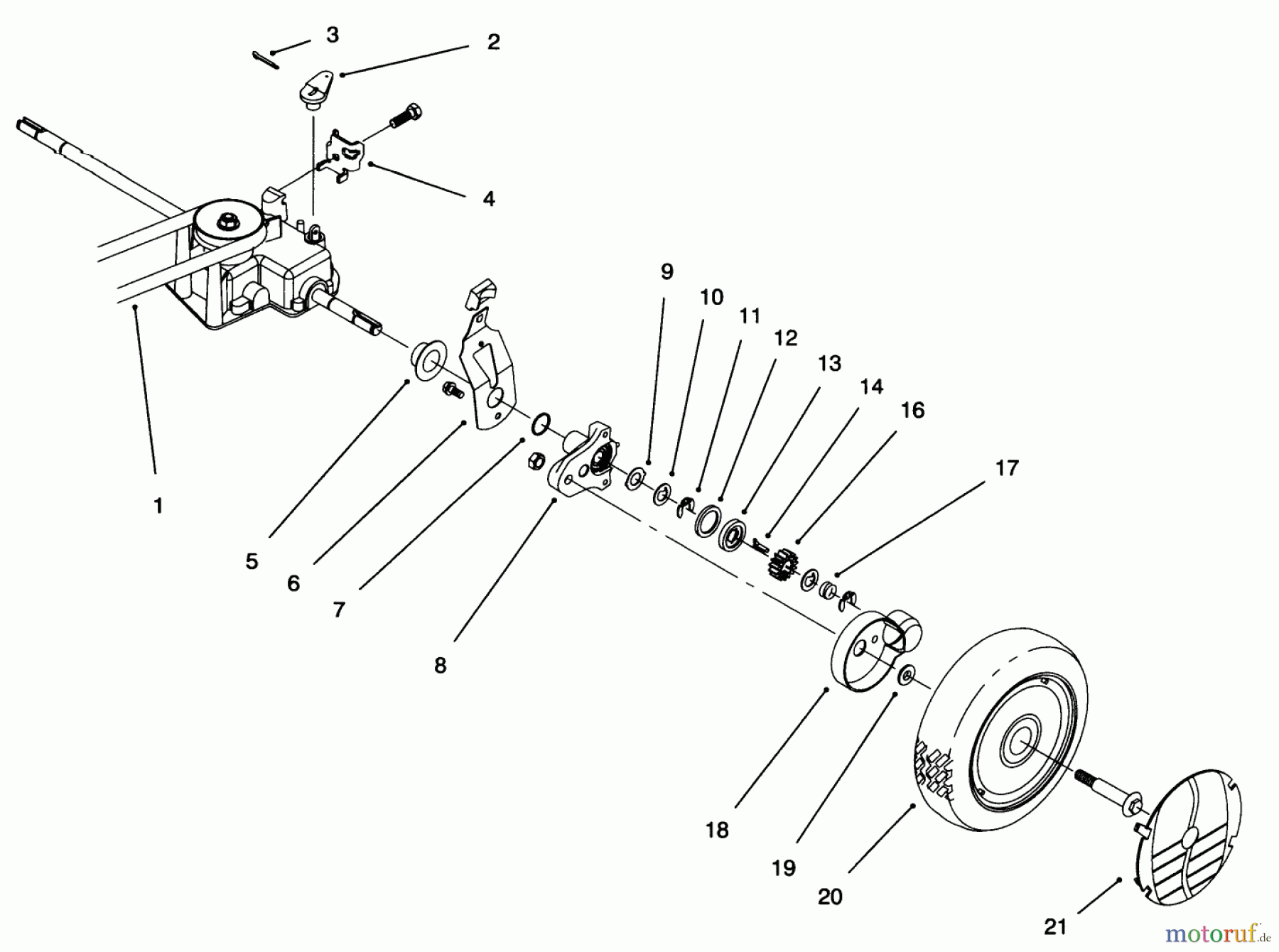
Toro 20463 - Super Recycler Lawnmower, 1996 (6900001-6999999) REAR AXLE ASSEMBLY Ersatzteile
REAR AXLE ASSEMBLY 20463 - Toro Super Recycler Lawnmower, 1996 (6900001-6999999)

Hier finden Sie die Ersatzteilzeichnung für Toro Neu Mowers, Walk-Behind Seite 1 20463 - Toro Super Recycler Lawnmower, 1996 (6900001-6999999) REAR AXLE ASSEMBLY. Wählen Sie das benötigte Ersatzteil aus der Ersatzteilliste Ihres Toro Gerätes aus und bestellen Sie einfach online. Viele Toro Ersatzteile halten wir ständig in unserem Lager für Sie bereit.


Qualitätsmanagement
Informieren Sie uns, wenn Sie einen Fehler gefunden haben.










