Toro 20436 - 21" Recycler II Super Pro, 1993 (39000001-39999999) GEAR CASE ASSEMBLY Ersatzteile
GEAR CASE ASSEMBLY 20436 - Toro 21" Recycler II Super Pro, 1993 (39000001-39999999)

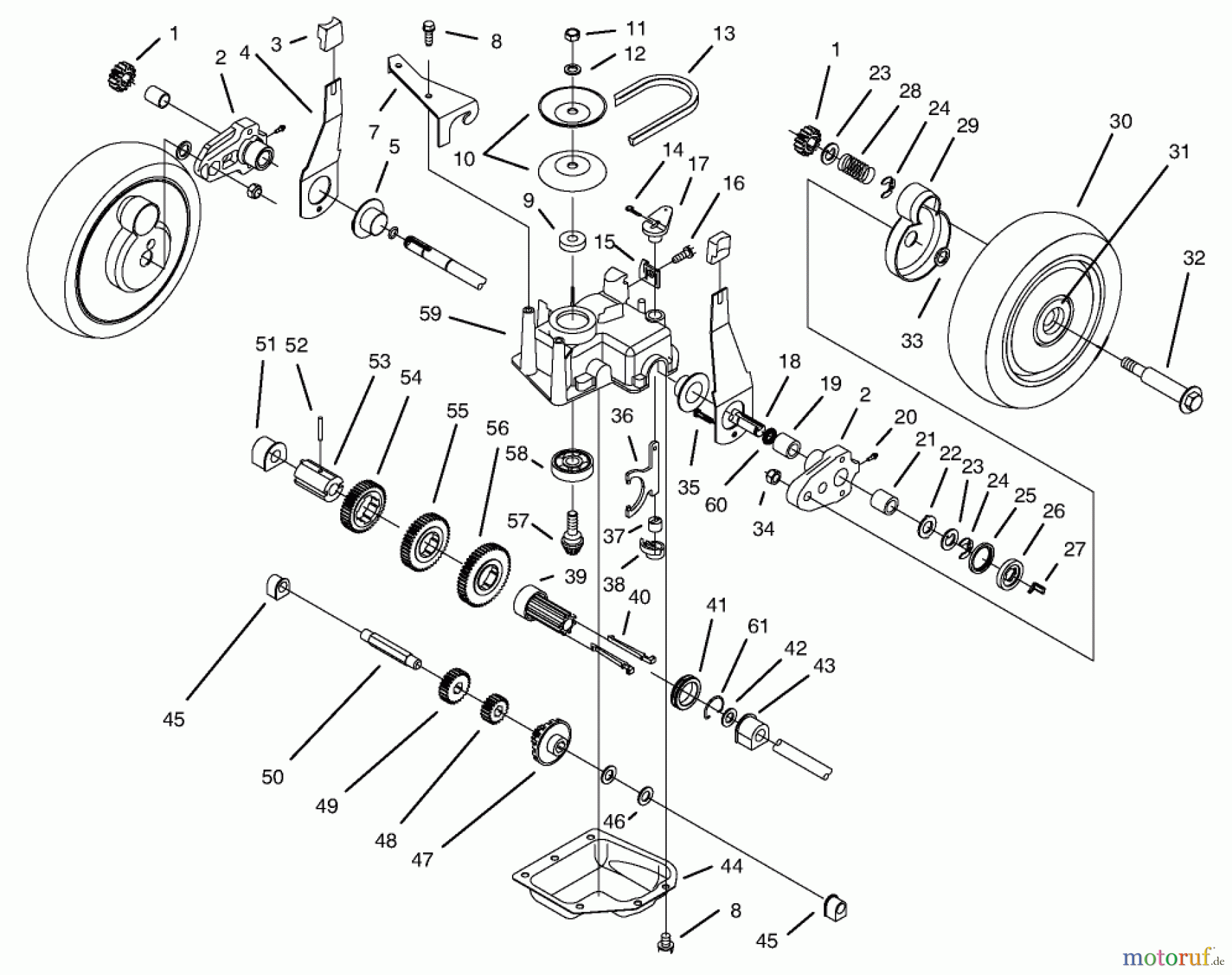
Hier finden Sie die Ersatzteilzeichnung für Toro Neu Mowers, Walk-Behind Seite 1 20436 - Toro 21" Recycler II Super Pro, 1993 (39000001-39999999) GEAR CASE ASSEMBLY. Wählen Sie das benötigte Ersatzteil aus der Ersatzteilliste Ihres Toro Gerätes aus und bestellen Sie einfach online. Viele Toro Ersatzteile halten wir ständig in unserem Lager für Sie bereit.























