Toro 20435WF - 21" Recycler II Super Pro, 1993 (39000001-39999999) ENGINE BRIGGS & STRATTON MODEL 124702-3115-01 #4 Ersatzteile
ENGINE BRIGGS & STRATTON MODEL 124702-3115-01 #4 20435WF - Toro 21" Recycler II Super Pro, 1993 (39000001-39999999)

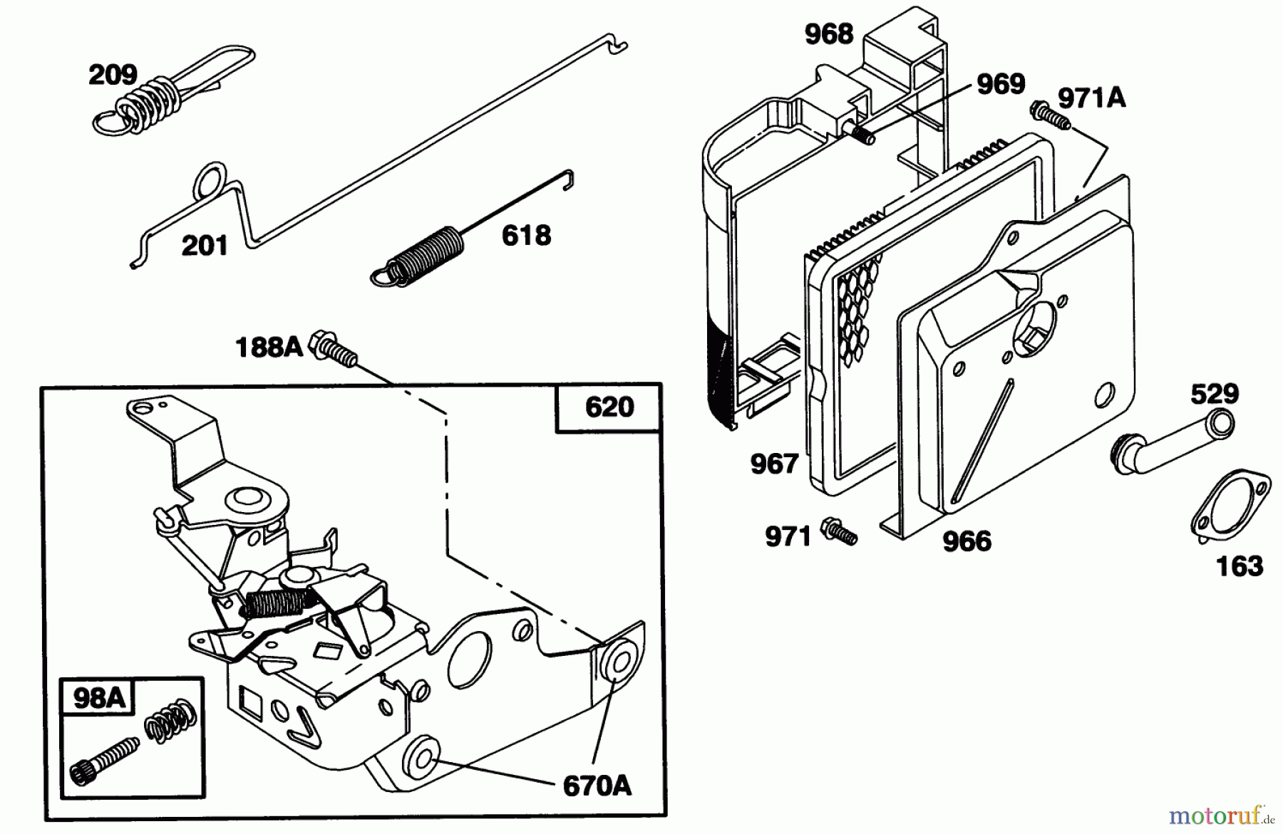
Hier finden Sie die Ersatzteilzeichnung für Toro Neu Mowers, Walk-Behind Seite 1 20435WF - Toro 21" Recycler II Super Pro, 1993 (39000001-39999999) ENGINE BRIGGS & STRATTON MODEL 124702-3115-01 #4. Wählen Sie das benötigte Ersatzteil aus der Ersatzteilliste Ihres Toro Gerätes aus und bestellen Sie einfach online. Viele Toro Ersatzteile halten wir ständig in unserem Lager für Sie bereit.
| BildNr | Artikel Nummer | Bezeichnung | |
| 98A | BS493280 | SCHRAUBE | |
| 163 | BS272296 | DICHTUNG-LUFTFILTER | |
| 188A | BS690877 | SCHRAUBE | |
| 201 | ![]() | BS691829 | GESTAENGE |
| 209 | BS262661 | REGLERFEDER | |
| 234 | BS | Eingangswelle UE 600 | |
| 529 | BS280943 | GUMMIKRÜMMER | |
| 618 | ![]() | BS690354 | REGLERFEDER |
| 620 | BS493894 | VERGASERHALTER | |
| 670A | BS493823 | DISTANZSTUECK | |
| 966 | BS492363 | GRUNDPLATTE FILTER | |
| 967 | BS491588S | LUFTFILTER | |
| 968 | BS281069 | SIEHE 692298 | |
| 969 | BS94120 | ||
| 971 | BS692779 | SENKSCHRAUBE M8X35 | |
| 971A | BS94873 | ||





