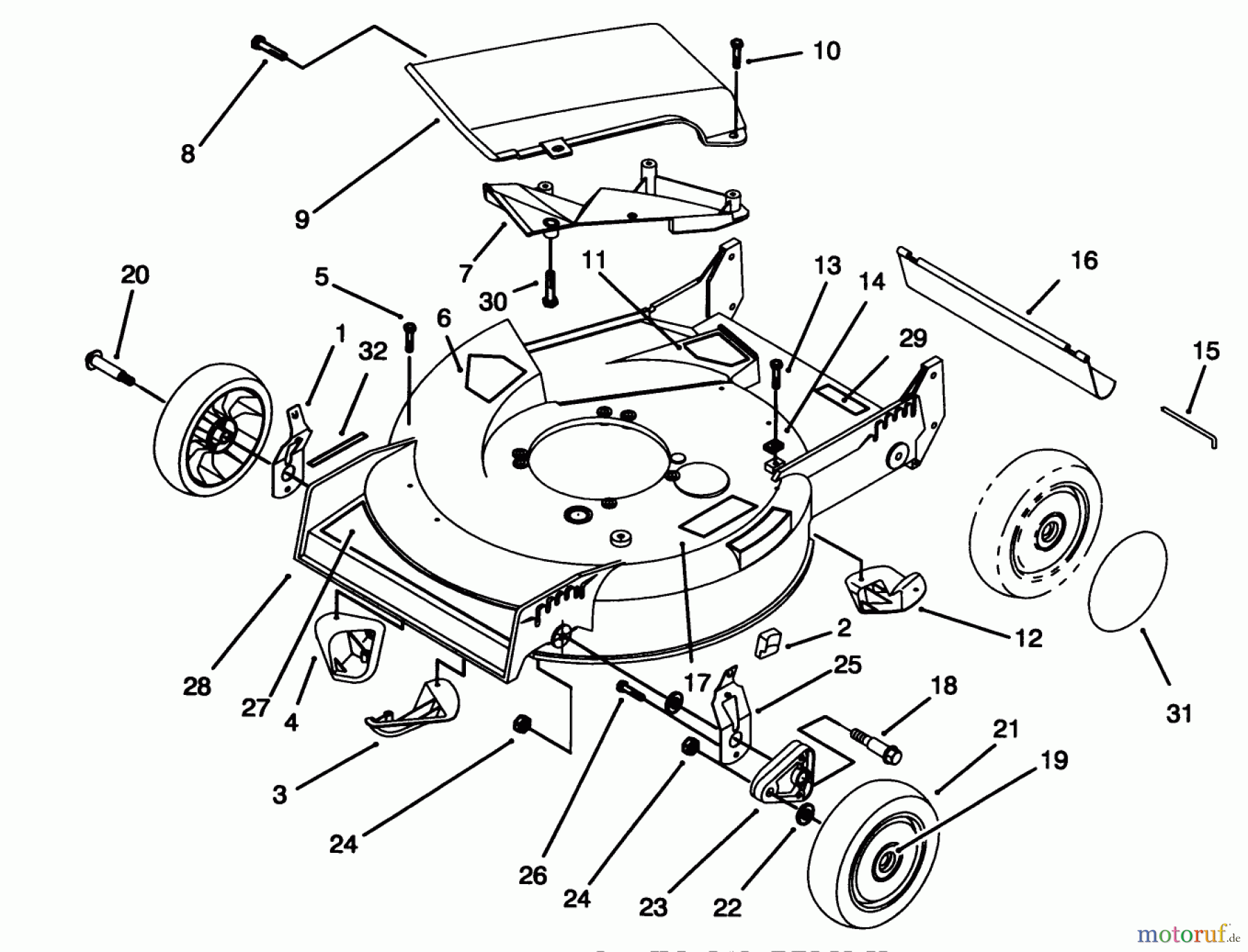
Toro 20435 - 21" Recycler II Super Pro, 1994 (49000001-49999999) HOUSING ASSEMBLY Ersatzteile
HOUSING ASSEMBLY 20435 - Toro 21" Recycler II Super Pro, 1994 (49000001-49999999)

Hier finden Sie die Ersatzteilzeichnung für Toro Neu Mowers, Walk-Behind Seite 1 20435 - Toro 21" Recycler II Super Pro, 1994 (49000001-49999999) HOUSING ASSEMBLY. Wählen Sie das benötigte Ersatzteil aus der Ersatzteilliste Ihres Toro Gerätes aus und bestellen Sie einfach online. Viele Toro Ersatzteile halten wir ständig in unserem Lager für Sie bereit.


Qualitätsmanagement
Informieren Sie uns, wenn Sie einen Fehler gefunden haben.





