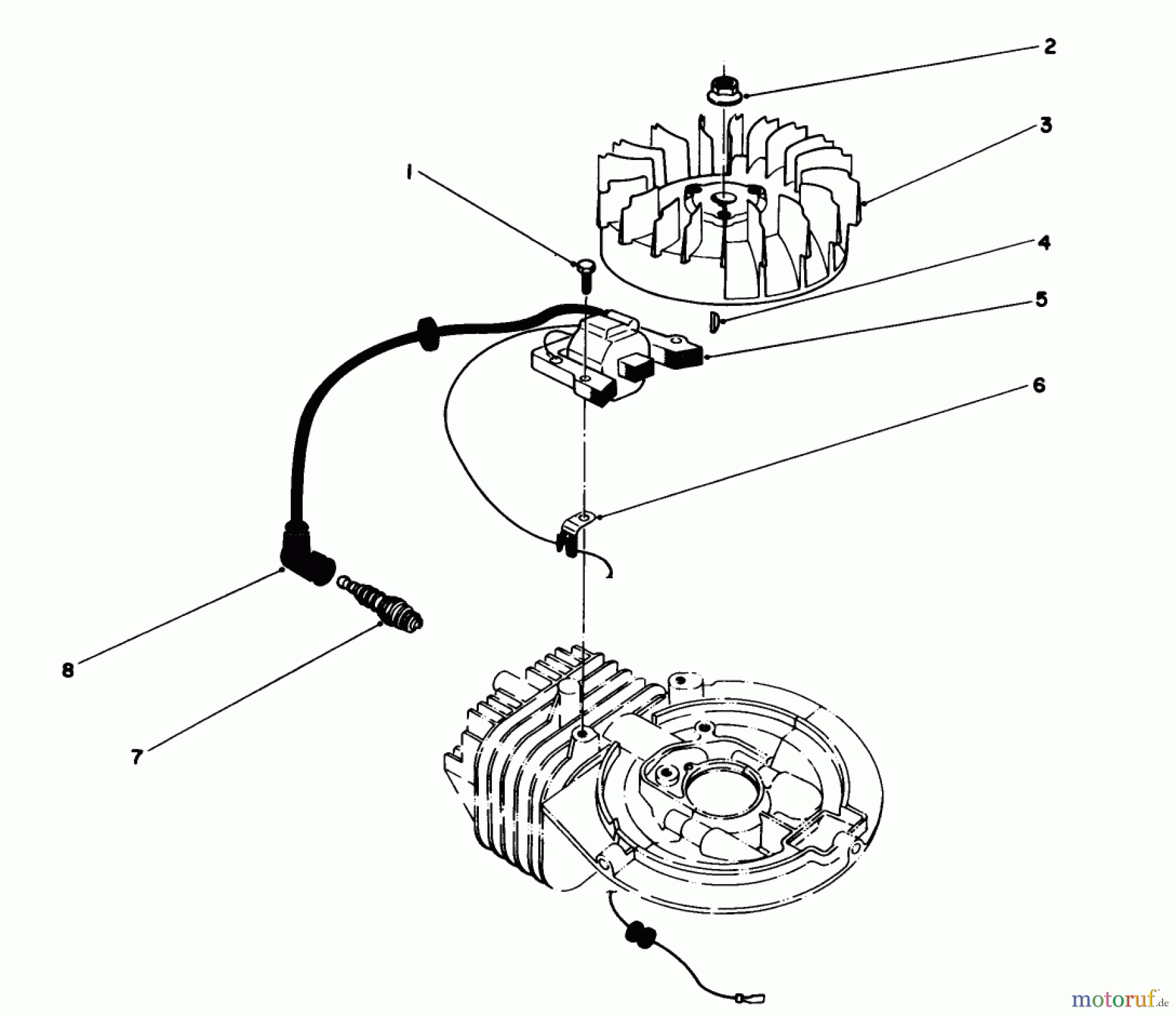
Toro 20329 - Lawnmower, 1992 (2000001-2999999) IGNITION ASSEMBLY (ENGINE MODEL NO. 47PM1-1)(SERIAL NO. 2005001 & UP) Ersatzteile
IGNITION ASSEMBLY (ENGINE MODEL NO. 47PM1-1)(SERIAL NO. 2005001 & UP) 20329 - Toro Lawnmower, 1992 (2000001-2999999)

Hier finden Sie die Ersatzteilzeichnung für Toro Neu Mowers, Walk-Behind Seite 1 20329 - Toro Lawnmower, 1992 (2000001-2999999) IGNITION ASSEMBLY (ENGINE MODEL NO. 47PM1-1)(SERIAL NO. 2005001 & UP). Wählen Sie das benötigte Ersatzteil aus der Ersatzteilliste Ihres Toro Gerätes aus und bestellen Sie einfach online. Viele Toro Ersatzteile halten wir ständig in unserem Lager für Sie bereit.
| BildNr | Artikel Nummer | Bezeichnung | |
| 1 | TR81-5680 | SCREW | |
| 2 | TR81-1330 | Mutter | |
| 3 | TR81-2810 | Schwungscheibe | |
| 4 | TR81-2370 | Keil | |
| 5 | TR81-2820 | COIL-MAGNETO | |
| 6 | TR81-1480 | Klemme | |
| 7 | TR50-1170 | Zuendkerze | |
| 8 | TR81-1500 | Zuendkerzenstecker | |
| TR41-7650 | Schwungradabzieher Toro | ||



