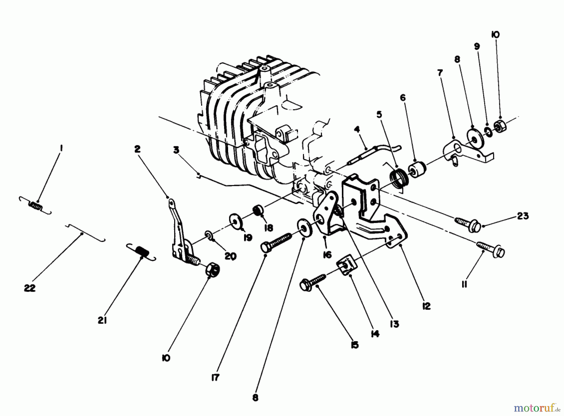
Toro 20329 - Lawnmower, 1992 (2000001-2999999) GOVERNOR ASSEMBLY (ENGINE MODEL NO. 47PM1-2)(SERIAL NO. 2000001-2005000) Ersatzteile
GOVERNOR ASSEMBLY (ENGINE MODEL NO. 47PM1-2)(SERIAL NO. 2000001-2005000) 20329 - Toro Lawnmower, 1992 (2000001-2999999)

Hier finden Sie die Ersatzteilzeichnung für Toro Neu Mowers, Walk-Behind Seite 1 20329 - Toro Lawnmower, 1992 (2000001-2999999) GOVERNOR ASSEMBLY (ENGINE MODEL NO. 47PM1-2)(SERIAL NO. 2000001-2005000). Wählen Sie das benötigte Ersatzteil aus der Ersatzteilliste Ihres Toro Gerätes aus und bestellen Sie einfach online. Viele Toro Ersatzteile halten wir ständig in unserem Lager für Sie bereit.




