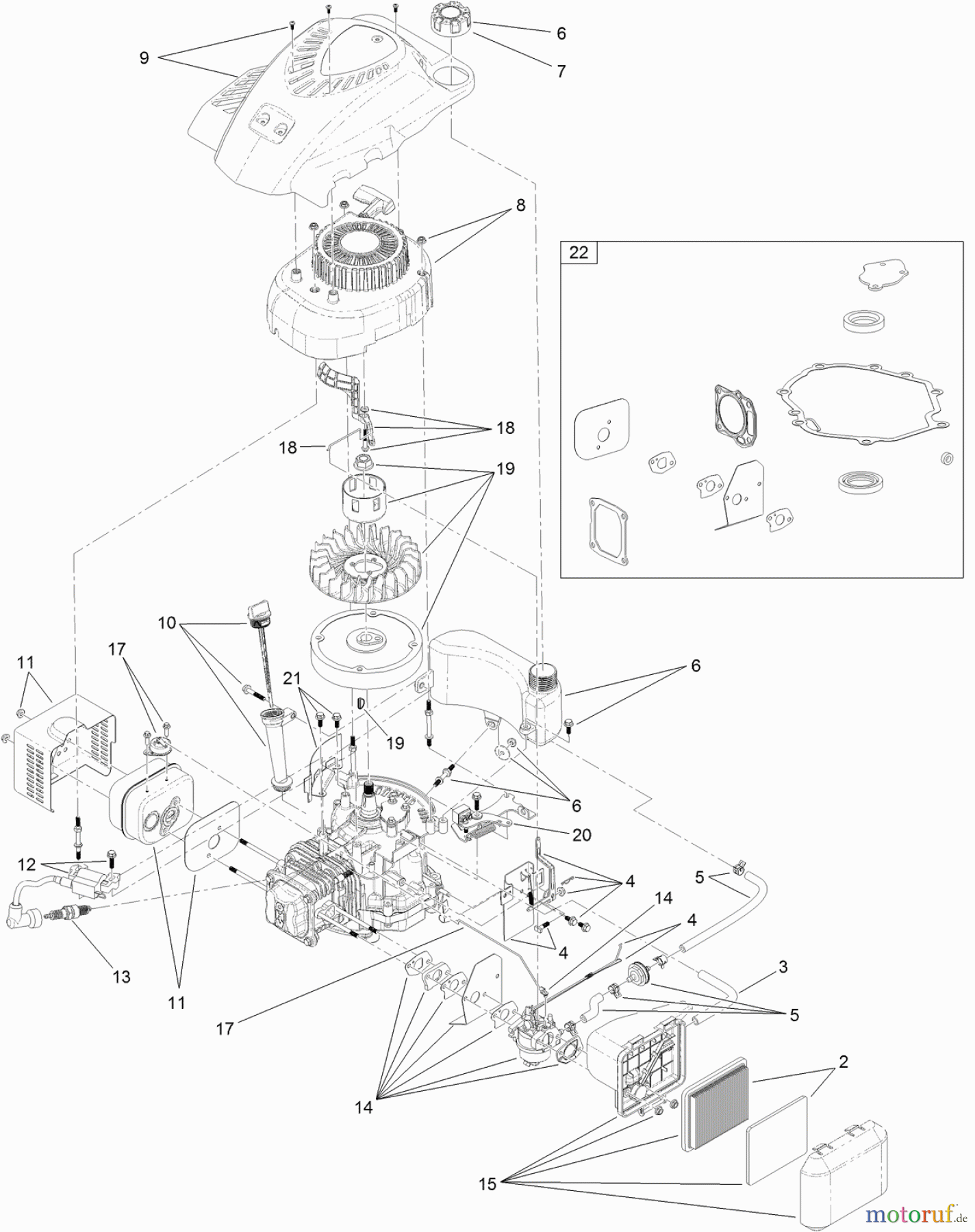
Toro 20323 - 20" Mulching/Rear Bagging Lawn Mower, 2012 (SN 312000001-312999999) ENGINE ASSEMBLY NO. 119-1989 Ersatzteile
ENGINE ASSEMBLY NO. 119-1989 20323 - Toro 20" Mulching/Rear Bagging Lawn Mower, 2012 (SN 312000001-312999999)

Hier finden Sie die Ersatzteilzeichnung für Toro Neu Mowers, Walk-Behind Seite 1 20323 - Toro 20" Mulching/Rear Bagging Lawn Mower, 2012 (SN 312000001-312999999) ENGINE ASSEMBLY NO. 119-1989. Wählen Sie das benötigte Ersatzteil aus der Ersatzteilliste Ihres Toro Gerätes aus und bestellen Sie einfach online. Viele Toro Ersatzteile halten wir ständig in unserem Lager für Sie bereit.


Qualitätsmanagement
Informieren Sie uns, wenn Sie einen Fehler gefunden haben.

