Einkaufswagen
Mein Konto

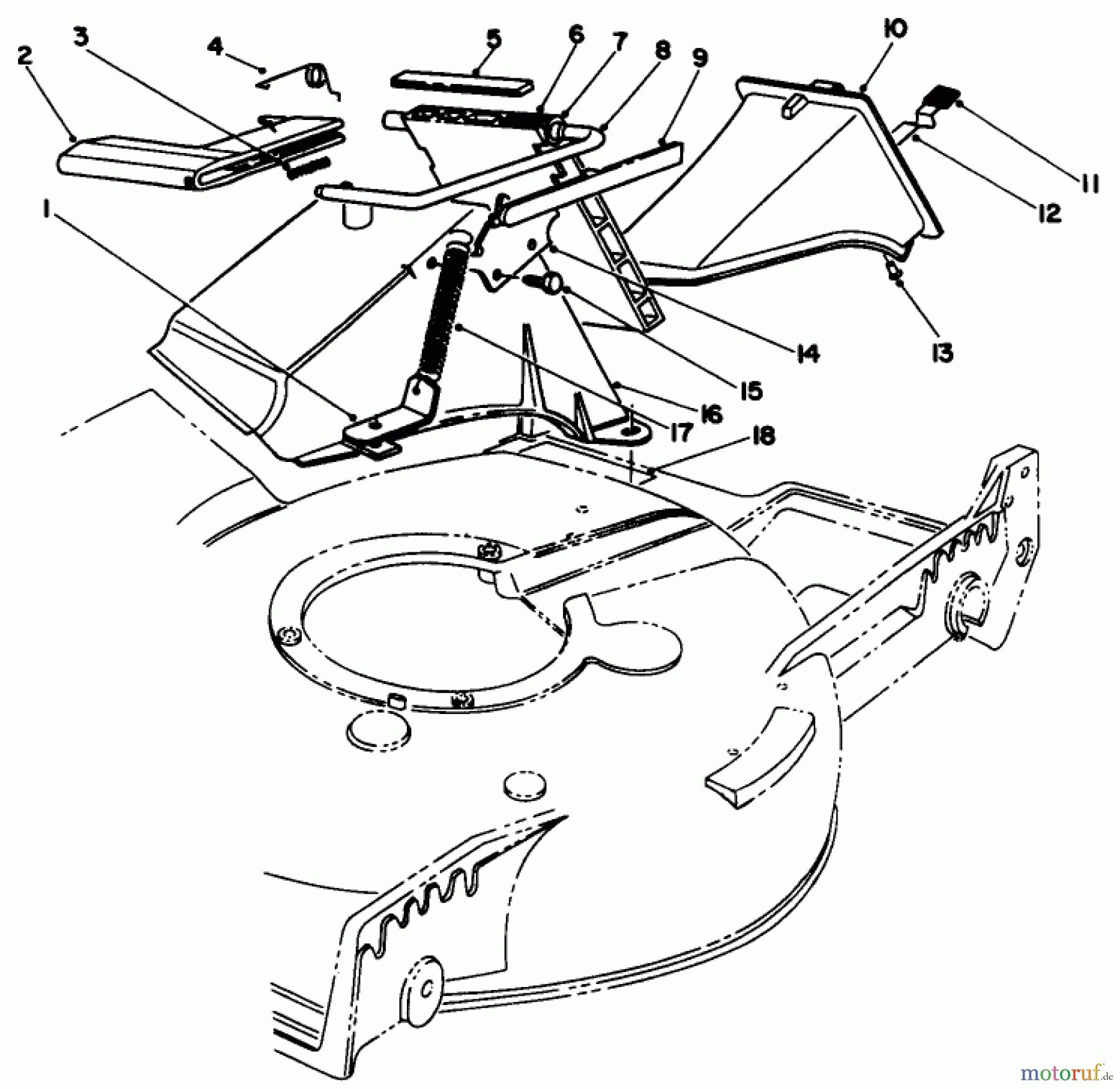
Toro 20320 - Lawnmower, 1992 (2000001-2999999) RECYCLER BAGGING KIT MODEL NO. 59174 Ersatzteile

RECYCLER BAGGING KIT MODEL NO. 59174 20320 - Toro Lawnmower, 1992 (2000001-2999999)

 Toro Neu Mowers, Walk-Behind Seite 1 20320 - Toro Lawnmower, 1992 (2000001-2999999) RECYCLER BAGGING KIT MODEL NO. 59174

Hier finden Sie die Ersatzteilzeichnung für Toro Neu Mowers, Walk-Behind Seite 1 20320 - Toro Lawnmower, 1992 (2000001-2999999) RECYCLER BAGGING KIT MODEL NO. 59174. Wählen Sie das benötigte Ersatzteil aus der Ersatzteilliste Ihres Toro Gerätes aus und bestellen Sie einfach online. Viele Toro Ersatzteile halten wir ständig in unserem Lager für Sie bereit.

Rasen
Bankeinzug, MasterCard, Visa, American Express, PayPal, Nachnahme, Vorauskasse, Sofortüberweisung
Qualitätsmanagement
Informieren Sie uns, wenn Sie einen Fehler gefunden haben.