Toro 20223 - Whirlwind Lawnmower, 1969 (9000001-9999999) 21" WHIRLWIND S.P. - FINGERTIP START Ersatzteile
21" WHIRLWIND S.P. - FINGERTIP START 20223 - Toro Whirlwind Lawnmower, 1969 (9000001-9999999)

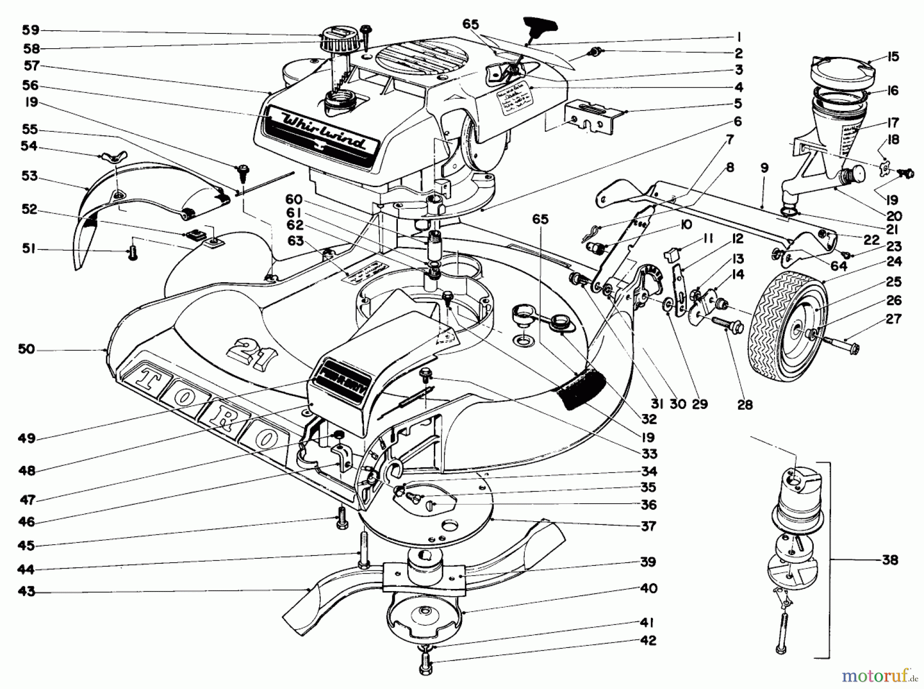
Hier finden Sie die Ersatzteilzeichnung für Toro Neu Mowers, Walk-Behind Seite 1 20223 - Toro Whirlwind Lawnmower, 1969 (9000001-9999999) 21" WHIRLWIND S.P. - FINGERTIP START. Wählen Sie das benötigte Ersatzteil aus der Ersatzteilliste Ihres Toro Gerätes aus und bestellen Sie einfach online. Viele Toro Ersatzteile halten wir ständig in unserem Lager für Sie bereit.






