Toro 20212 - Lawnmower, 1991 (1000001-1999999) ENGINE BRIGGS & STRATTON MODEL 122702-3188-01 #1 Ersatzteile
ENGINE BRIGGS & STRATTON MODEL 122702-3188-01 #1 20212 - Toro Lawnmower, 1991 (1000001-1999999)

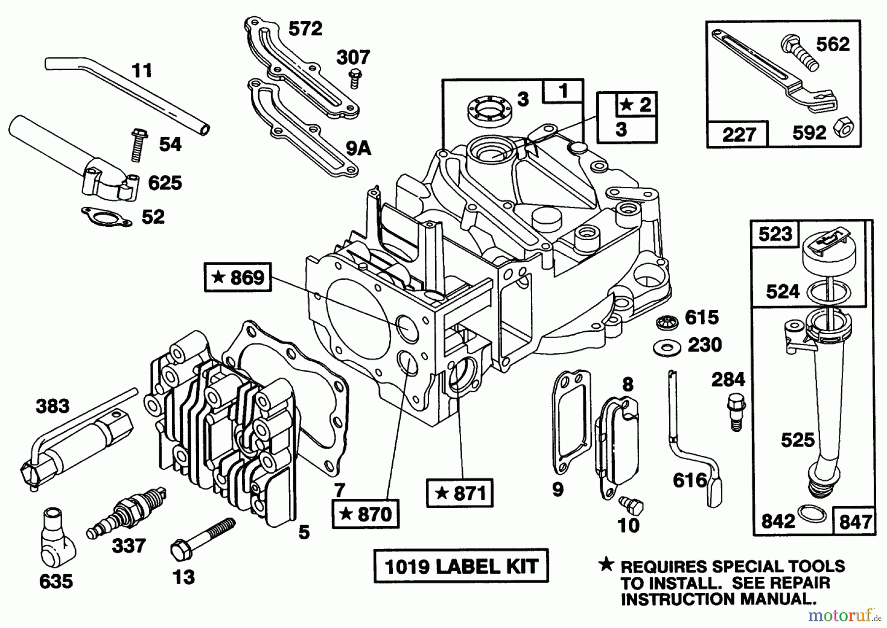
Hier finden Sie die Ersatzteilzeichnung für Toro Neu Mowers, Walk-Behind Seite 1 20212 - Toro Lawnmower, 1991 (1000001-1999999) ENGINE BRIGGS & STRATTON MODEL 122702-3188-01 #1. Wählen Sie das benötigte Ersatzteil aus der Ersatzteilliste Ihres Toro Gerätes aus und bestellen Sie einfach online. Viele Toro Ersatzteile halten wir ständig in unserem Lager für Sie bereit.








