Toro 20181WF - 18" Recycler II, 1993 (3900001-3999999) ENGINE BRIGGS & STRATTON MODEL 95902-3148-01 #2 Ersatzteile
ENGINE BRIGGS & STRATTON MODEL 95902-3148-01 #2 20181WF - Toro 18" Recycler II, 1993 (3900001-3999999)

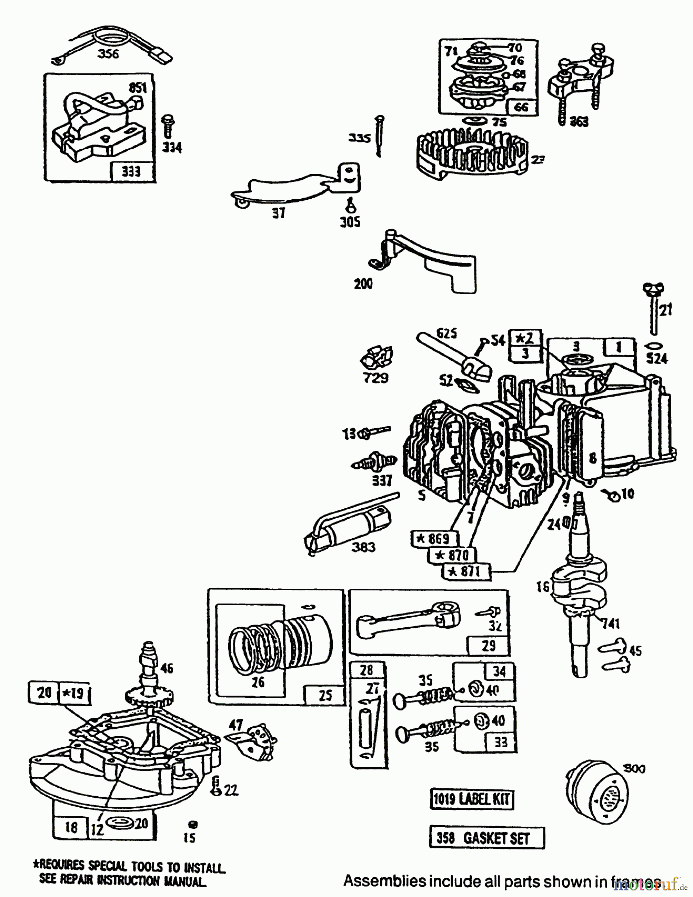
Hier finden Sie die Ersatzteilzeichnung für Toro Neu Mowers, Walk-Behind Seite 1 20181WF - Toro 18" Recycler II, 1993 (3900001-3999999) ENGINE BRIGGS & STRATTON MODEL 95902-3148-01 #2. Wählen Sie das benötigte Ersatzteil aus der Ersatzteilliste Ihres Toro Gerätes aus und bestellen Sie einfach online. Viele Toro Ersatzteile halten wir ständig in unserem Lager für Sie bereit.








