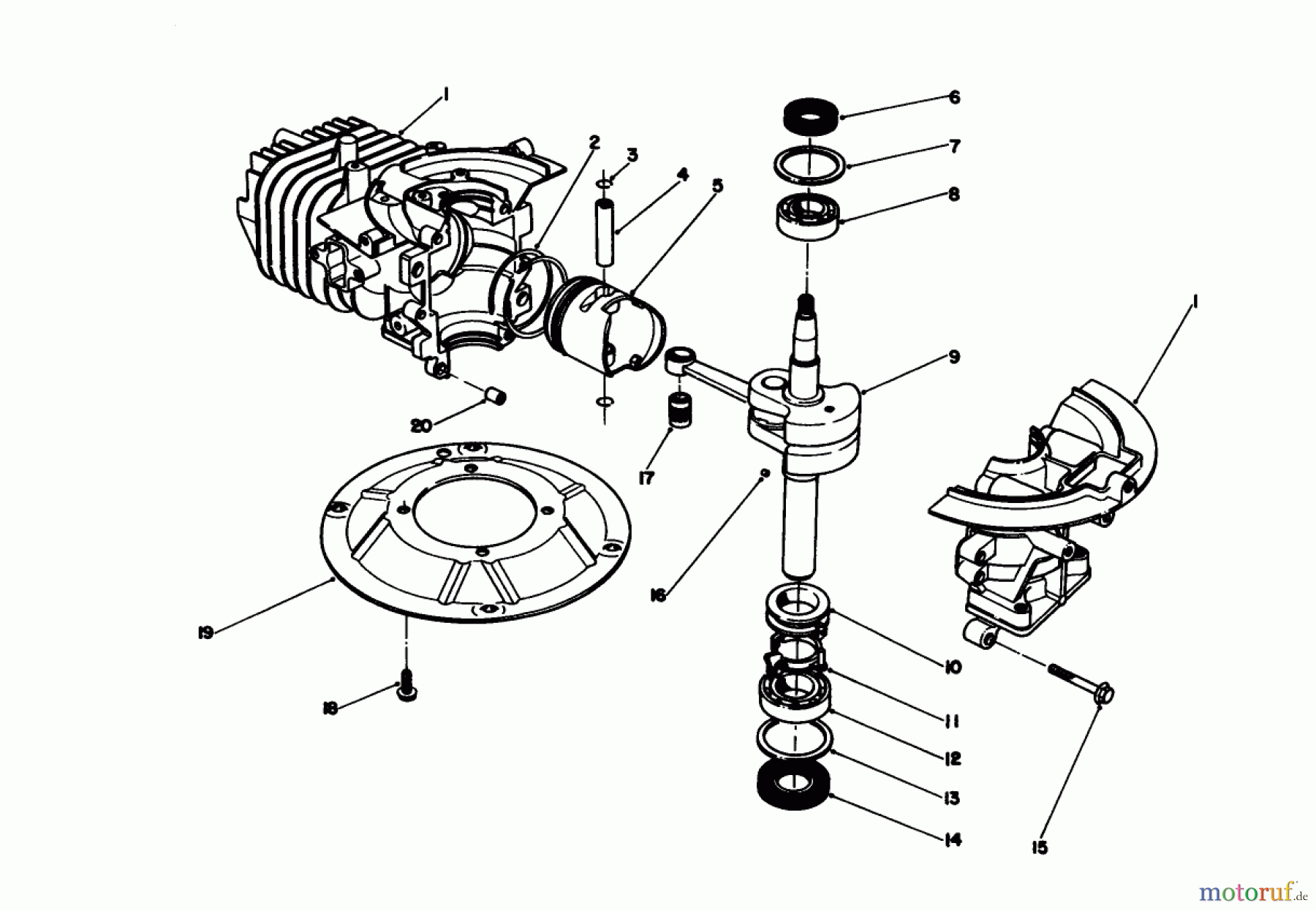
Toro 20106 - Lawnmower, 1992 (2000001-2999999) CRANKSHAFT ASSEMBLY (ENGINE NO. 47PM1-2) Ersatzteile
CRANKSHAFT ASSEMBLY (ENGINE NO. 47PM1-2) 20106 - Toro Lawnmower, 1992 (2000001-2999999)

Hier finden Sie die Ersatzteilzeichnung für Toro Neu Mowers, Walk-Behind Seite 1 20106 - Toro Lawnmower, 1992 (2000001-2999999) CRANKSHAFT ASSEMBLY (ENGINE NO. 47PM1-2). Wählen Sie das benötigte Ersatzteil aus der Ersatzteilliste Ihres Toro Gerätes aus und bestellen Sie einfach online. Viele Toro Ersatzteile halten wir ständig in unserem Lager für Sie bereit.



