Toro 20106 - Lawnmower, 1991 (1000001-1999999) FLYWHEEL & MAGNETO ASSEMBLY (ENGINE MODEL NO. 47PLO-2) Ersatzteile
FLYWHEEL & MAGNETO ASSEMBLY (ENGINE MODEL NO. 47PLO-2) 20106 - Toro Lawnmower, 1991 (1000001-1999999)

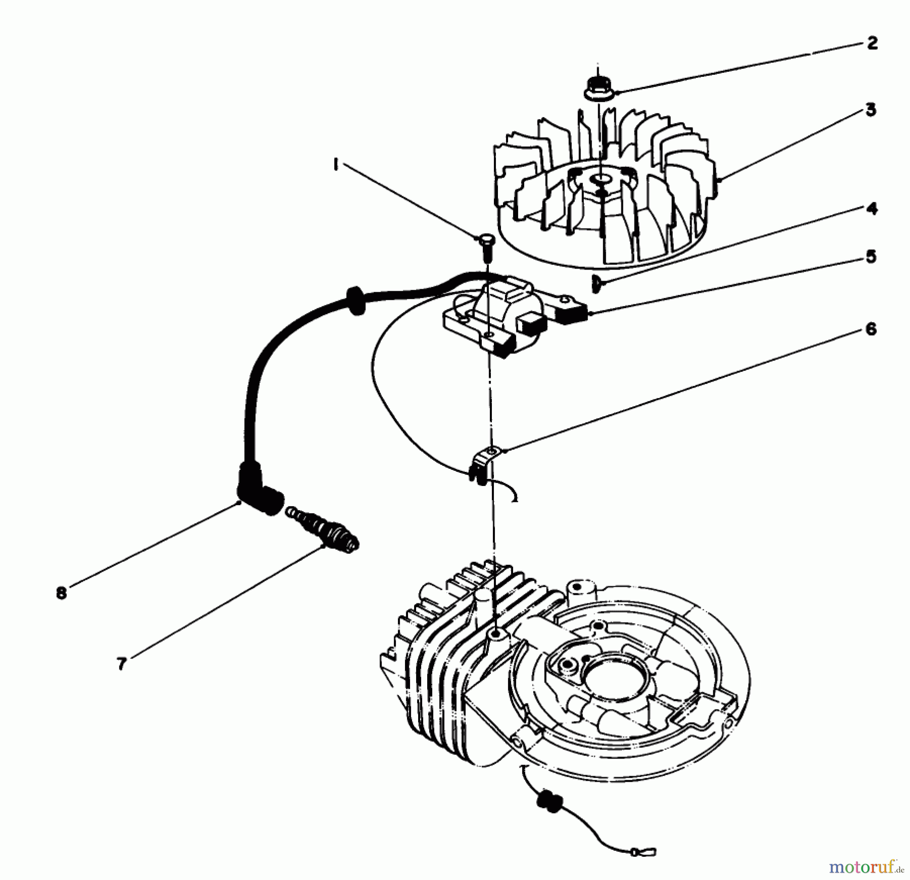
Hier finden Sie die Ersatzteilzeichnung für Toro Neu Mowers, Walk-Behind Seite 1 20106 - Toro Lawnmower, 1991 (1000001-1999999) FLYWHEEL & MAGNETO ASSEMBLY (ENGINE MODEL NO. 47PLO-2). Wählen Sie das benötigte Ersatzteil aus der Ersatzteilliste Ihres Toro Gerätes aus und bestellen Sie einfach online. Viele Toro Ersatzteile halten wir ständig in unserem Lager für Sie bereit.
| BildNr | Artikel Nummer | Bezeichnung | |
| 1 | TR81-5670 | Schraube | |
| 2 | TR81-1330 | Mutter | |
| 3 | TR81-2810 | Schwungscheibe | |
| 4 | TR81-2370 | Keil | |
| 5 | TR81-2820 | COIL-MAGNETO | |
| 6 | TR81-1480 | Klemme | |
| 7 | TR50-1170 | Zuendkerze | |
| 8 | TR81-1500 | Zuendkerzenstecker | |
| TR41-7650 | Schwungradabzieher Toro | ||


Qualitätsmanagement
Informieren Sie uns, wenn Sie einen Fehler gefunden haben.

