Toro 20079 - 22" Recycler Lawn Mower, 2006 (260000001-260999999) ENGINE ASSEMBLY NO. 2 TECUMSEH LV195EA-362004D Ersatzteile
ENGINE ASSEMBLY NO. 2 TECUMSEH LV195EA-362004D 20079 - Toro 22" Recycler Lawn Mower, 2006 (260000001-260999999)

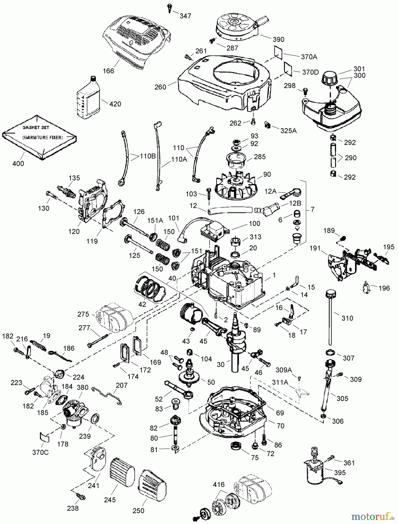
Hier finden Sie die Ersatzteilzeichnung für Toro Neu Mowers, Walk-Behind Seite 1 20079 - Toro 22" Recycler Lawn Mower, 2006 (260000001-260999999) ENGINE ASSEMBLY NO. 2 TECUMSEH LV195EA-362004D. Wählen Sie das benötigte Ersatzteil aus der Ersatzteilliste Ihres Toro Gerätes aus und bestellen Sie einfach online. Viele Toro Ersatzteile halten wir ständig in unserem Lager für Sie bereit.
| BildNr | Artikel Nummer | Bezeichnung | |
| 310 | TC35648 | DIPSTICK | |
| 311A | TC37611 | BRACKET | |
| 313 | TC34080 | DISTANZSTUECK | |
| 325A | TC35249 | CLIP | |
| 347 | TC650898A | SCHRAUBE | |
| 361 | TC650831 | SCREW | |
| 370A | TC36261 | AUFKLEBER | |
| 370C | TC37695 | AUFKLEBER | |
| 370D | TC35977 | AUFKLEBER | |
| 380 | TC640350 | CARBURETOR | |
| 390 | TC590739 | STARTER | |
| 395 | TC37753 | STARTER | |
| 400 | TC37613A | Dichtungssatz | |
| 416 | TC37530 | SATZ SCHALLDAEMPFER | |
| 420 | TC730225A | OIL SAE 30 | |


Qualitätsmanagement
Informieren Sie uns, wenn Sie einen Fehler gefunden haben.

