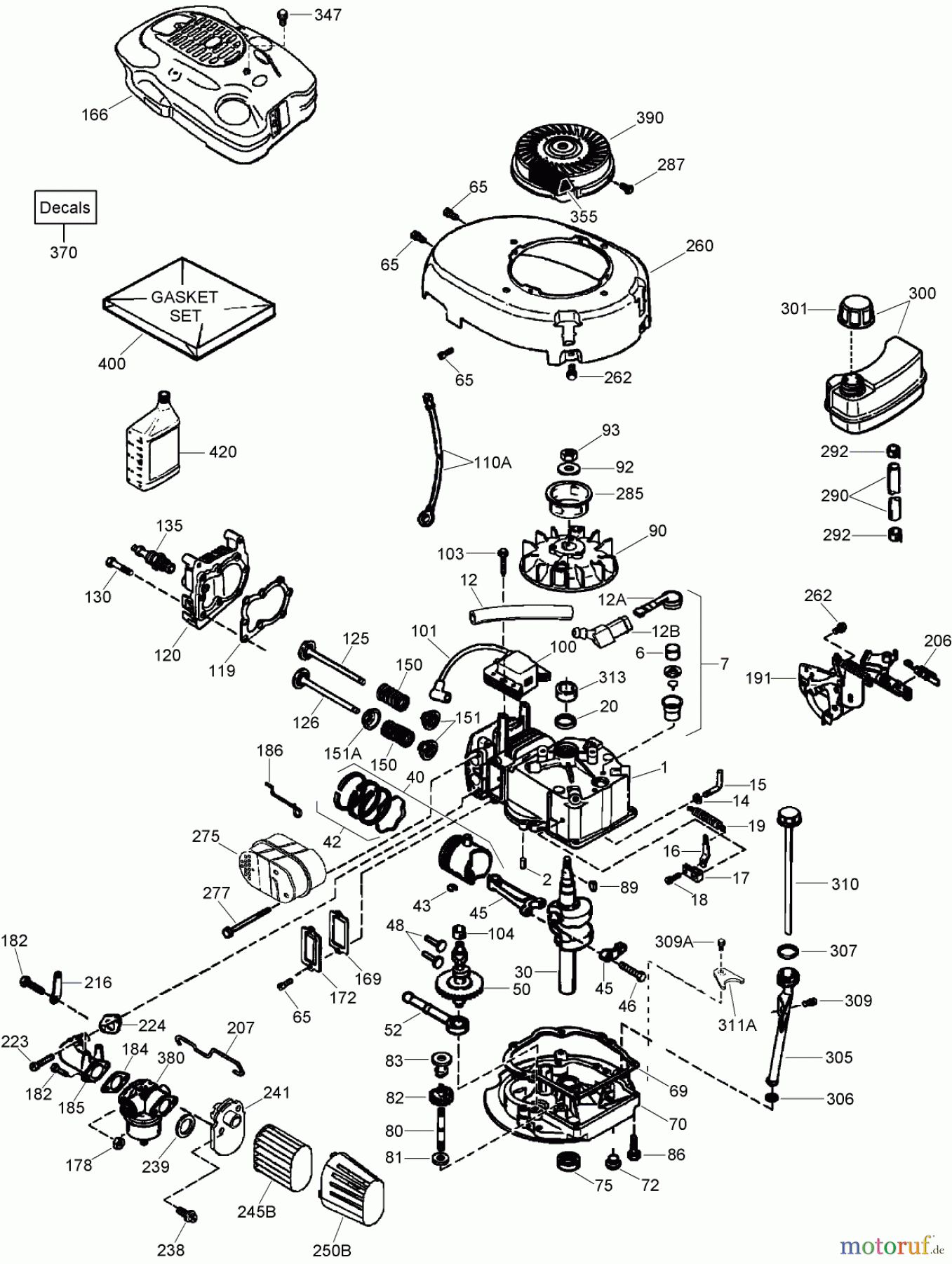
Toro 20073A - 22" Recycler Lawn Mower, 2007 (270000001-270999999) ENGINE ASSEMBLY NO. 2 TECUMSEH LV195EA-362089D Ersatzteile
ENGINE ASSEMBLY NO. 2 TECUMSEH LV195EA-362089D 20073A - Toro 22" Recycler Lawn Mower, 2007 (270000001-270999999)

Hier finden Sie die Ersatzteilzeichnung für Toro Neu Mowers, Walk-Behind Seite 1 20073A - Toro 22" Recycler Lawn Mower, 2007 (270000001-270999999) ENGINE ASSEMBLY NO. 2 TECUMSEH LV195EA-362089D. Wählen Sie das benötigte Ersatzteil aus der Ersatzteilliste Ihres Toro Gerätes aus und bestellen Sie einfach online. Viele Toro Ersatzteile halten wir ständig in unserem Lager für Sie bereit.


Qualitätsmanagement
Informieren Sie uns, wenn Sie einen Fehler gefunden haben.



