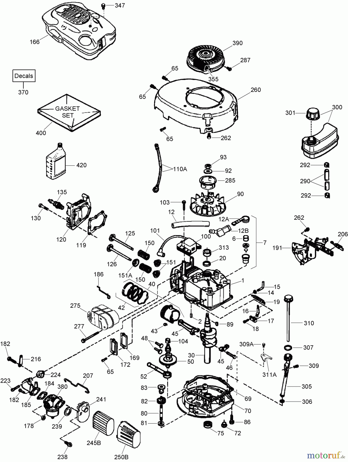
Toro 20073 - 22" Recycler Lawn Mower, 2007 (270000001-270999999) ENGINE ASSEMBLY NO. 2 TECUMSEH LV195EA-362089D Ersatzteile
ENGINE ASSEMBLY NO. 2 TECUMSEH LV195EA-362089D 20073 - Toro 22" Recycler Lawn Mower, 2007 (270000001-270999999)

Hier finden Sie die Ersatzteilzeichnung für Toro Neu Mowers, Walk-Behind Seite 1 20073 - Toro 22" Recycler Lawn Mower, 2007 (270000001-270999999) ENGINE ASSEMBLY NO. 2 TECUMSEH LV195EA-362089D. Wählen Sie das benötigte Ersatzteil aus der Ersatzteilliste Ihres Toro Gerätes aus und bestellen Sie einfach online. Viele Toro Ersatzteile halten wir ständig in unserem Lager für Sie bereit.





