MTD-Motoren 670-WHA 752Z670-WHA (2019) Zündung Ersatzteile
Zündung 752Z670-WHA (2019)

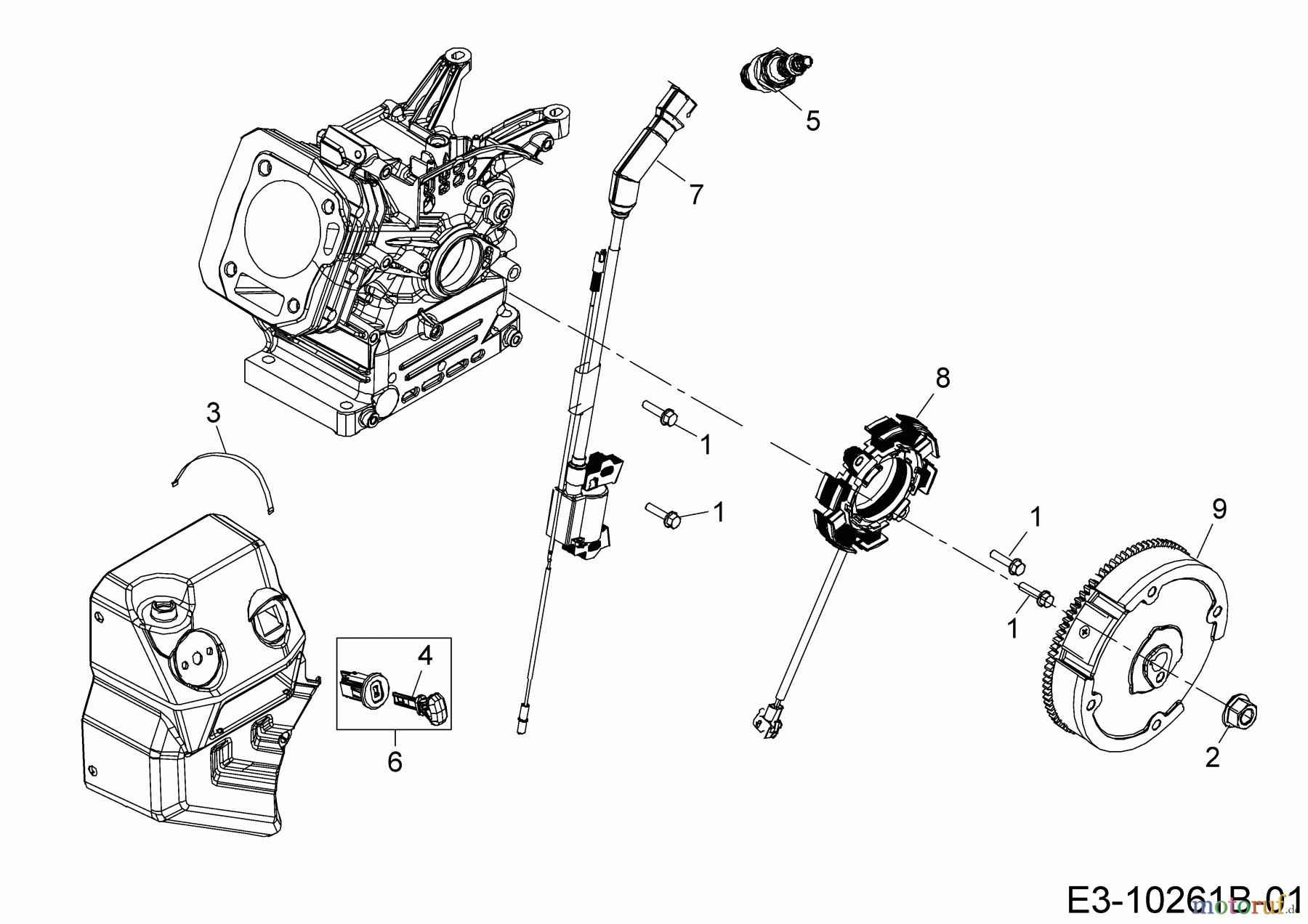
Hier finden Sie die Ersatzteilzeichnung für MTD-Motoren Horizontal 670-WHA 752Z670-WHA (2019) Zündung. Wählen Sie das benötigte Ersatzteil aus der Ersatzteilliste Ihres MTD-Motoren Gerätes aus und bestellen Sie einfach online. Viele MTD-Motoren Ersatzteile halten wir ständig in unserem Lager für Sie bereit.


Qualitätsmanagement
Informieren Sie uns, wenn Sie einen Fehler gefunden haben.


