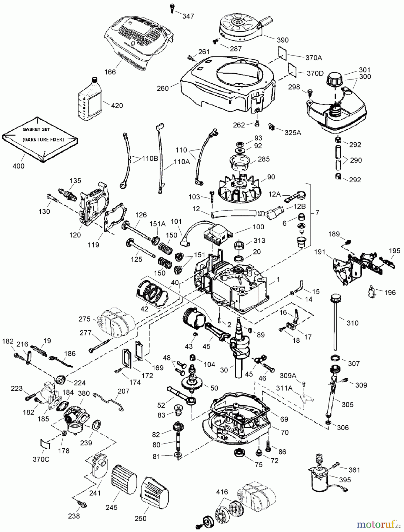
Toro 20070 - 22" Recycler Lawnmower, 2006 (260000001-260999999) ENGINE ASSEMBLY NO. 1 TECUMSEH LV195EA-362004D Ersatzteile
ENGINE ASSEMBLY NO. 1 TECUMSEH LV195EA-362004D 20070 - Toro 22" Recycler Lawnmower, 2006 (260000001-260999999)

Hier finden Sie die Ersatzteilzeichnung für Toro Neu Mowers, Walk-Behind Seite 1 20070 - Toro 22" Recycler Lawnmower, 2006 (260000001-260999999) ENGINE ASSEMBLY NO. 1 TECUMSEH LV195EA-362004D. Wählen Sie das benötigte Ersatzteil aus der Ersatzteilliste Ihres Toro Gerätes aus und bestellen Sie einfach online. Viele Toro Ersatzteile halten wir ständig in unserem Lager für Sie bereit.


Qualitätsmanagement
Informieren Sie uns, wenn Sie einen Fehler gefunden haben.








