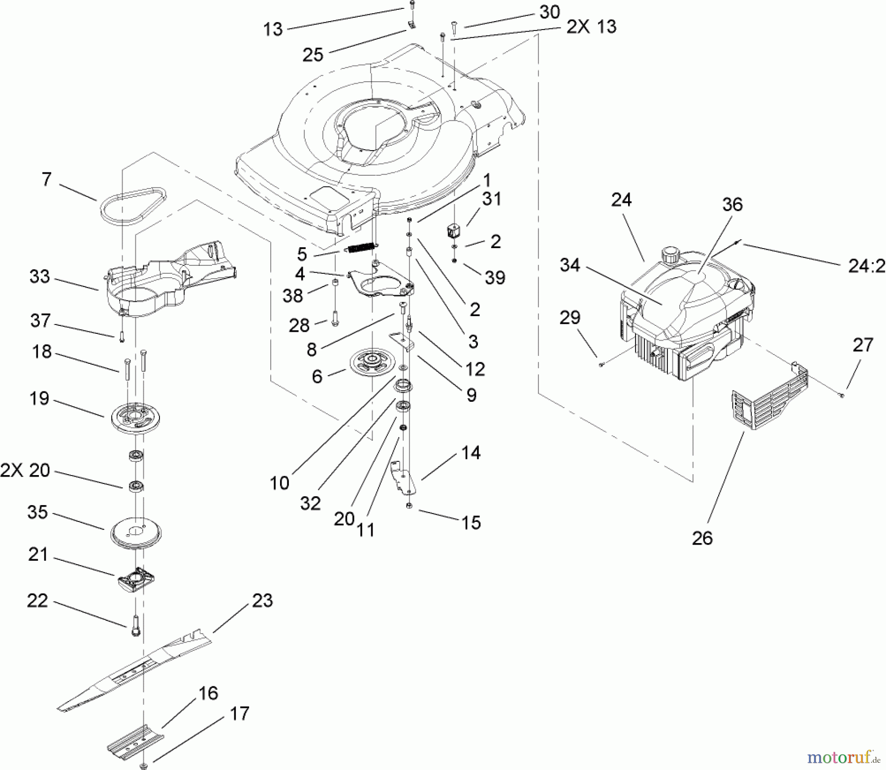
Toro 20047 - 22" Recycler Lawnmower, 2006 (260000001-260999999) ENGINE ASSEMBLY Ersatzteile
ENGINE ASSEMBLY 20047 - Toro 22" Recycler Lawnmower, 2006 (260000001-260999999)

Hier finden Sie die Ersatzteilzeichnung für Toro Neu Mowers, Walk-Behind Seite 1 20047 - Toro 22" Recycler Lawnmower, 2006 (260000001-260999999) ENGINE ASSEMBLY. Wählen Sie das benötigte Ersatzteil aus der Ersatzteilliste Ihres Toro Gerätes aus und bestellen Sie einfach online. Viele Toro Ersatzteile halten wir ständig in unserem Lager für Sie bereit.





