Toro 20013 - 22" Recycler Lawnmower, 2002 (220300001-220999999) ENGINE ASSEMBLY TECUMSEH MODEL NO. LEV120-362003A Ersatzteile
ENGINE ASSEMBLY TECUMSEH MODEL NO. LEV120-362003A 20013 - Toro 22" Recycler Lawnmower, 2002 (220300001-220999999)

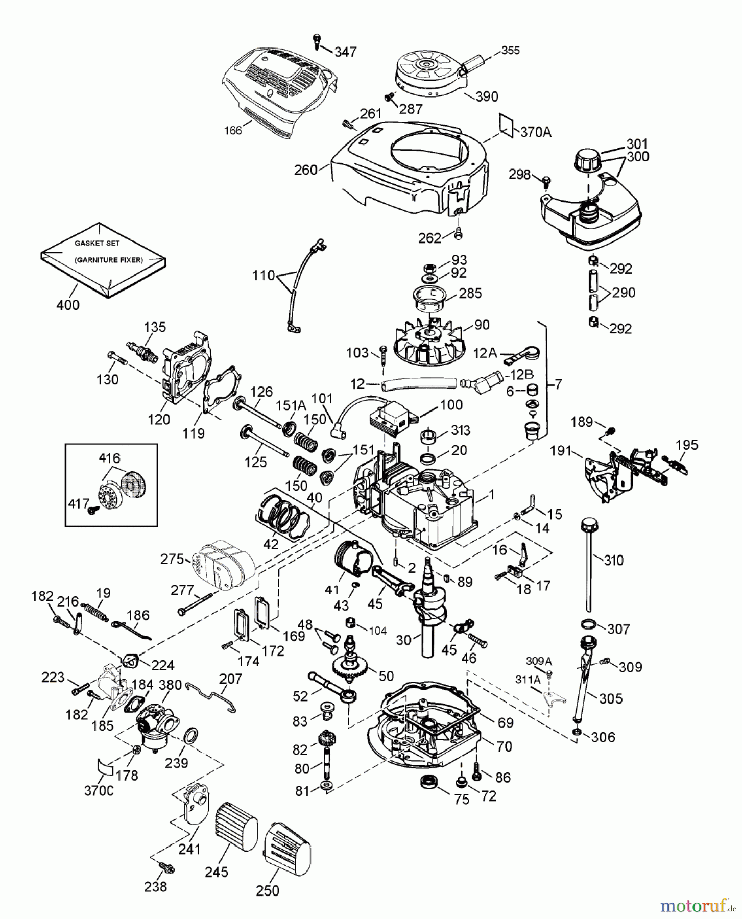
Hier finden Sie die Ersatzteilzeichnung für Toro Neu Mowers, Walk-Behind Seite 1 20013 - Toro 22" Recycler Lawnmower, 2002 (220300001-220999999) ENGINE ASSEMBLY TECUMSEH MODEL NO. LEV120-362003A. Wählen Sie das benötigte Ersatzteil aus der Ersatzteilliste Ihres Toro Gerätes aus und bestellen Sie einfach online. Viele Toro Ersatzteile halten wir ständig in unserem Lager für Sie bereit.


Qualitätsmanagement
Informieren Sie uns, wenn Sie einen Fehler gefunden haben.








