Toro 20012 - 22" Recycler Lawnmower, 2006 (260000001-260999999) ENGINE ASSEMBLY NO.2 TECUMSEH LV195EA-362003D Ersatzteile
ENGINE ASSEMBLY NO.2 TECUMSEH LV195EA-362003D 20012 - Toro 22" Recycler Lawnmower, 2006 (260000001-260999999)

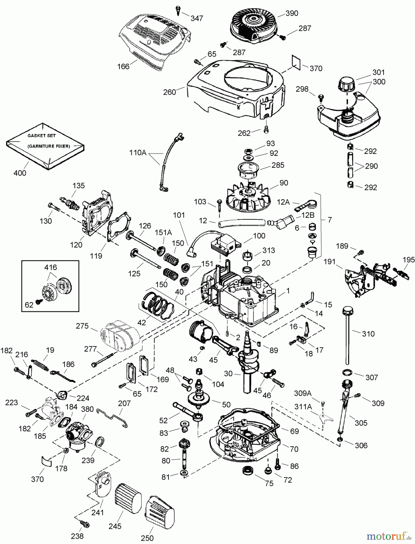
Hier finden Sie die Ersatzteilzeichnung für Toro Neu Mowers, Walk-Behind Seite 1 20012 - Toro 22" Recycler Lawnmower, 2006 (260000001-260999999) ENGINE ASSEMBLY NO.2 TECUMSEH LV195EA-362003D. Wählen Sie das benötigte Ersatzteil aus der Ersatzteilliste Ihres Toro Gerätes aus und bestellen Sie einfach online. Viele Toro Ersatzteile halten wir ständig in unserem Lager für Sie bereit.
| BildNr | Artikel Nummer | Bezeichnung | |
| 370 | TC35977 | AUFKLEBER | |
| 370 | TC37695 | AUFKLEBER | |
| 370 | TC36261 | AUFKLEBER | |
| 380 | TC640350 | CARBURETOR | |
| 390 | TC590739 | STARTER | |
| 400 | TC37613A | Dichtungssatz | |
| 416 | TC37530 | SATZ SCHALLDAEMPFER | |
| 0 | TC806173B | ENGINE VO | |
| 0 | TC750876 | SHORTBLOCK | |



