Toro 19400 - Guardian Lawnmower, 1975 (5000001-5999999) ENGINE TECUMSEH MODEL TNT100-10042 Ersatzteile
ENGINE TECUMSEH MODEL TNT100-10042 19400 - Toro Guardian Lawnmower, 1975 (5000001-5999999)

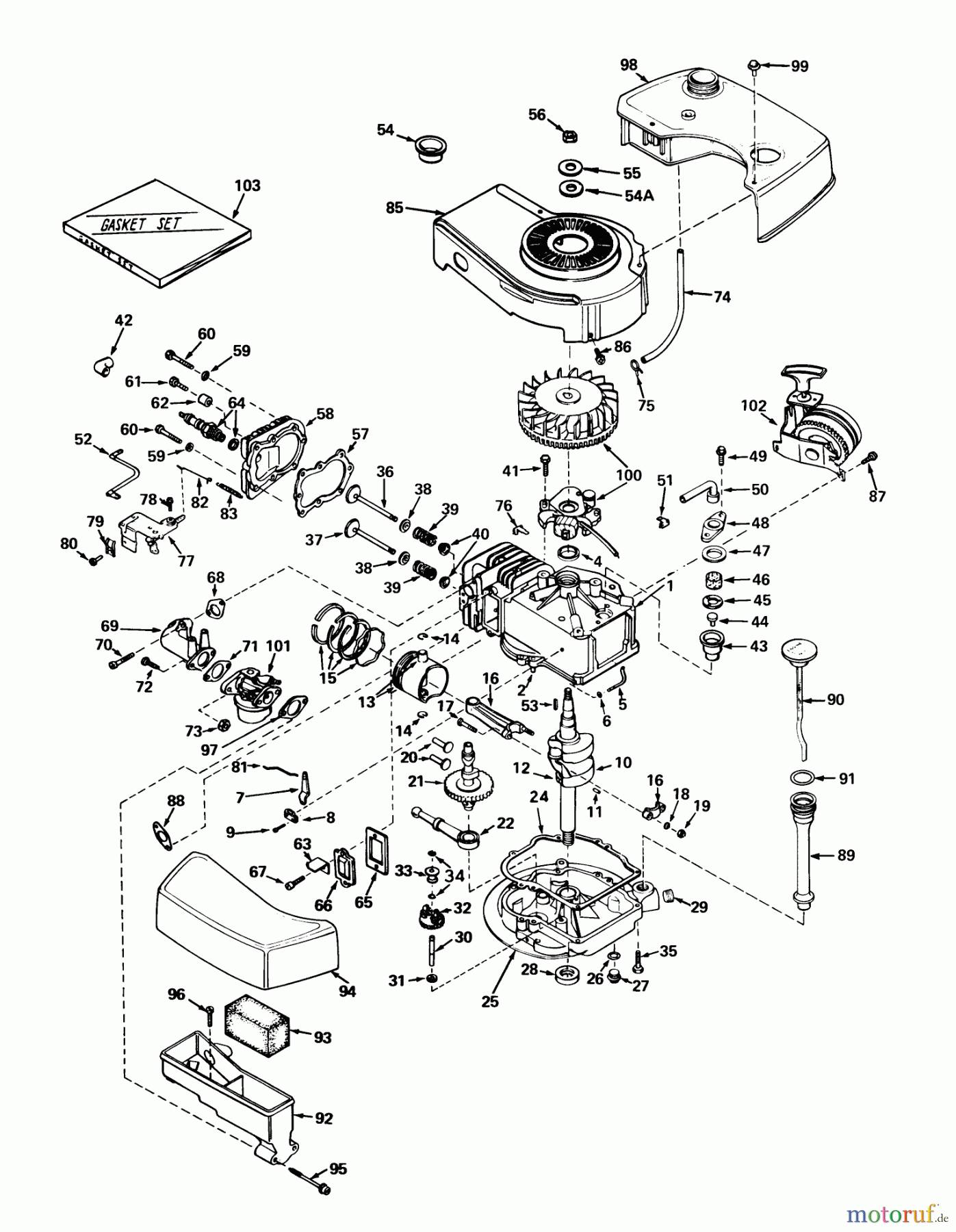
Hier finden Sie die Ersatzteilzeichnung für Toro Neu Mowers, Walk-Behind Seite 1 19400 - Toro Guardian Lawnmower, 1975 (5000001-5999999) ENGINE TECUMSEH MODEL TNT100-10042. Wählen Sie das benötigte Ersatzteil aus der Ersatzteilliste Ihres Toro Gerätes aus und bestellen Sie einfach online. Viele Toro Ersatzteile halten wir ständig in unserem Lager für Sie bereit.


Qualitätsmanagement
Informieren Sie uns, wenn Sie einen Fehler gefunden haben.



