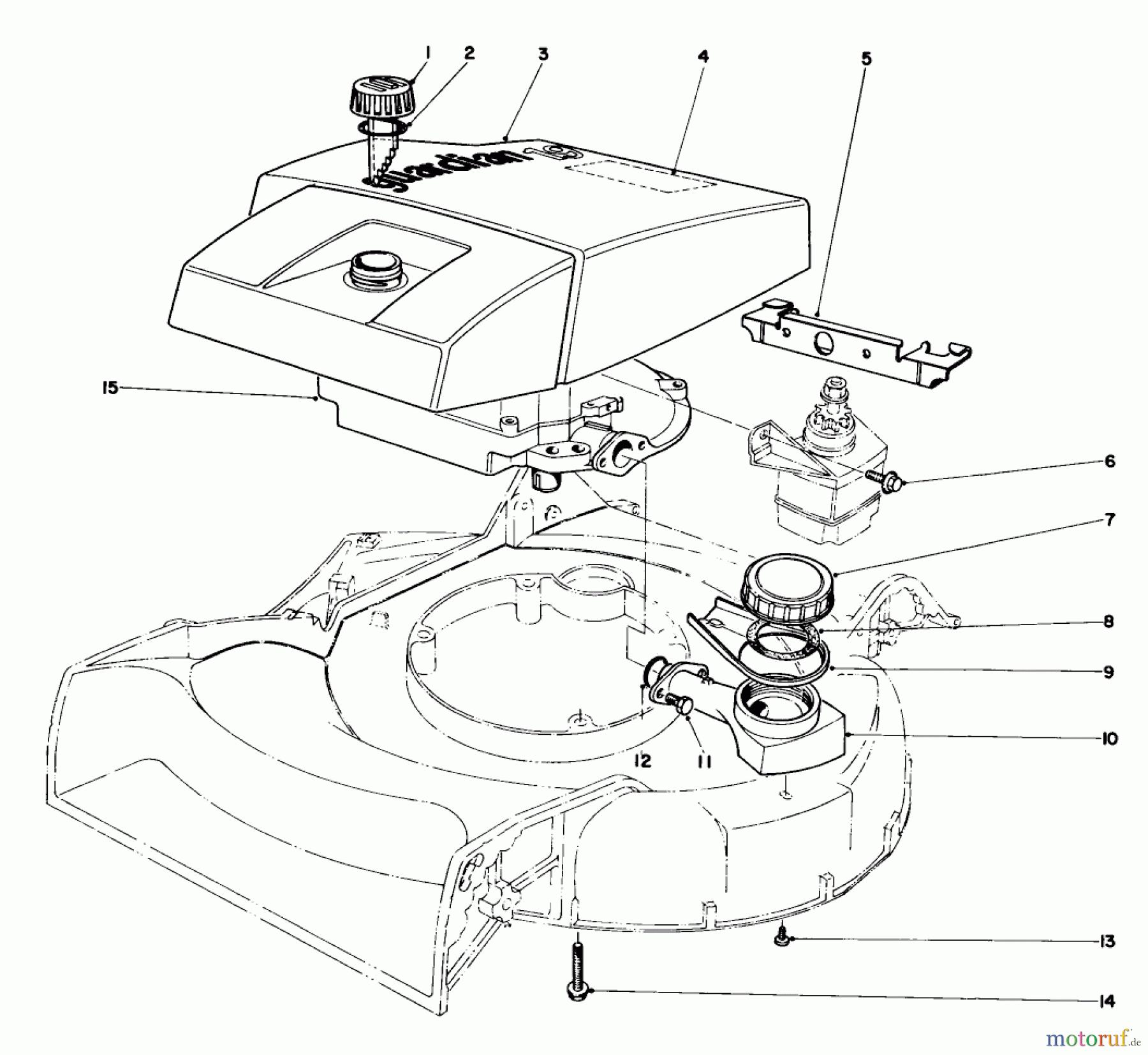
Toro 19373 - Guardian Lawnmower, 1973 (3000001-3999999) ENGINE AND OIL GAUGE ASSEMBLY Ersatzteile
ENGINE AND OIL GAUGE ASSEMBLY 19373 - Toro Guardian Lawnmower, 1973 (3000001-3999999)

Hier finden Sie die Ersatzteilzeichnung für Toro Neu Mowers, Walk-Behind Seite 1 19373 - Toro Guardian Lawnmower, 1973 (3000001-3999999) ENGINE AND OIL GAUGE ASSEMBLY. Wählen Sie das benötigte Ersatzteil aus der Ersatzteilliste Ihres Toro Gerätes aus und bestellen Sie einfach online. Viele Toro Ersatzteile halten wir ständig in unserem Lager für Sie bereit.


Qualitätsmanagement
Informieren Sie uns, wenn Sie einen Fehler gefunden haben.

