Toro 19271 - Guardian Lawnmower, 1971 (1000001-1999999) ENGINE, TECUMSEH MODEL NO. LAV 35-40596J Ersatzteile
ENGINE, TECUMSEH MODEL NO. LAV 35-40596J 19271 - Toro Guardian Lawnmower, 1971 (1000001-1999999)

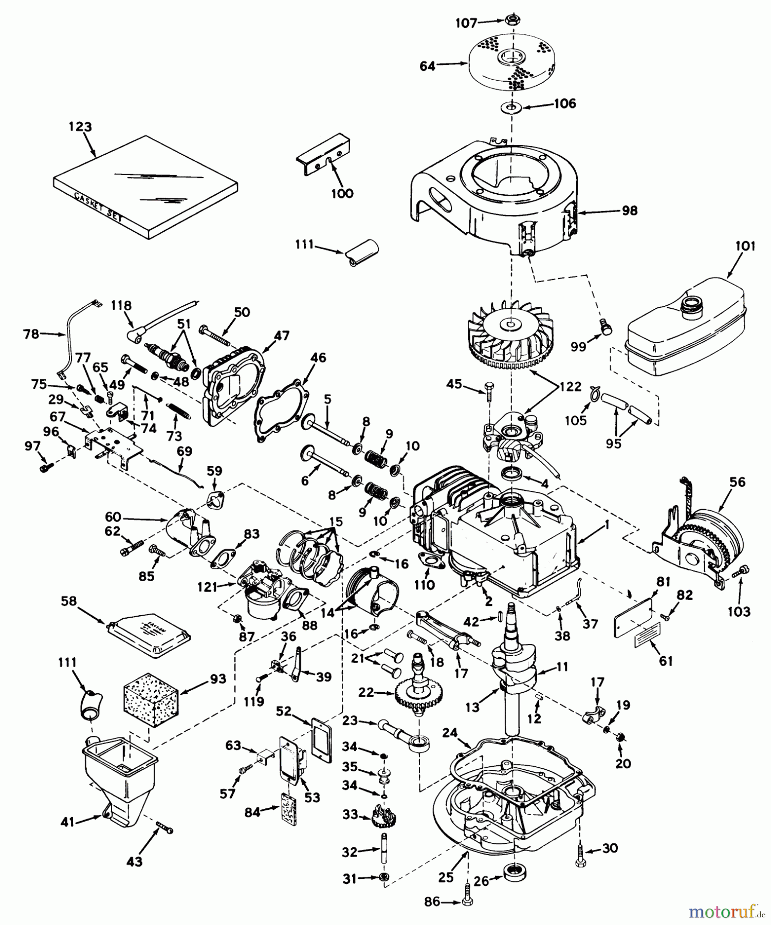
Hier finden Sie die Ersatzteilzeichnung für Toro Neu Mowers, Walk-Behind Seite 1 19271 - Toro Guardian Lawnmower, 1971 (1000001-1999999) ENGINE, TECUMSEH MODEL NO. LAV 35-40596J. Wählen Sie das benötigte Ersatzteil aus der Ersatzteilliste Ihres Toro Gerätes aus und bestellen Sie einfach online. Viele Toro Ersatzteile halten wir ständig in unserem Lager für Sie bereit.





