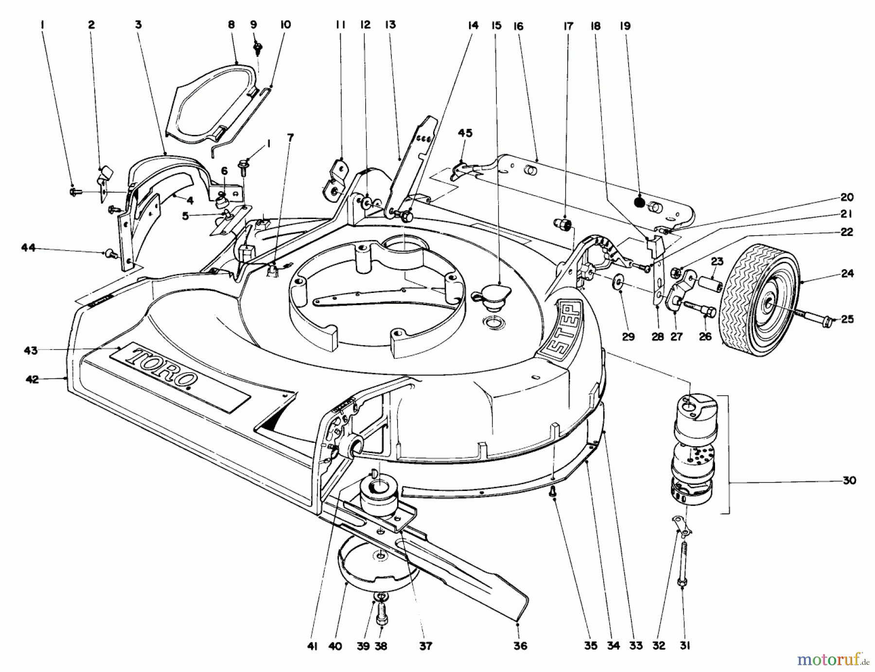
Toro 19173 - Guardian Lawnmower, 1973 (3000001-3999999) HOUSING ASSEMBLY MODEL 19273 Ersatzteile
HOUSING ASSEMBLY MODEL 19273 19173 - Toro Guardian Lawnmower, 1973 (3000001-3999999)

Hier finden Sie die Ersatzteilzeichnung für Toro Neu Mowers, Walk-Behind Seite 1 19173 - Toro Guardian Lawnmower, 1973 (3000001-3999999) HOUSING ASSEMBLY MODEL 19273. Wählen Sie das benötigte Ersatzteil aus der Ersatzteilliste Ihres Toro Gerätes aus und bestellen Sie einfach online. Viele Toro Ersatzteile halten wir ständig in unserem Lager für Sie bereit.


Qualitätsmanagement
Informieren Sie uns, wenn Sie einen Fehler gefunden haben.




