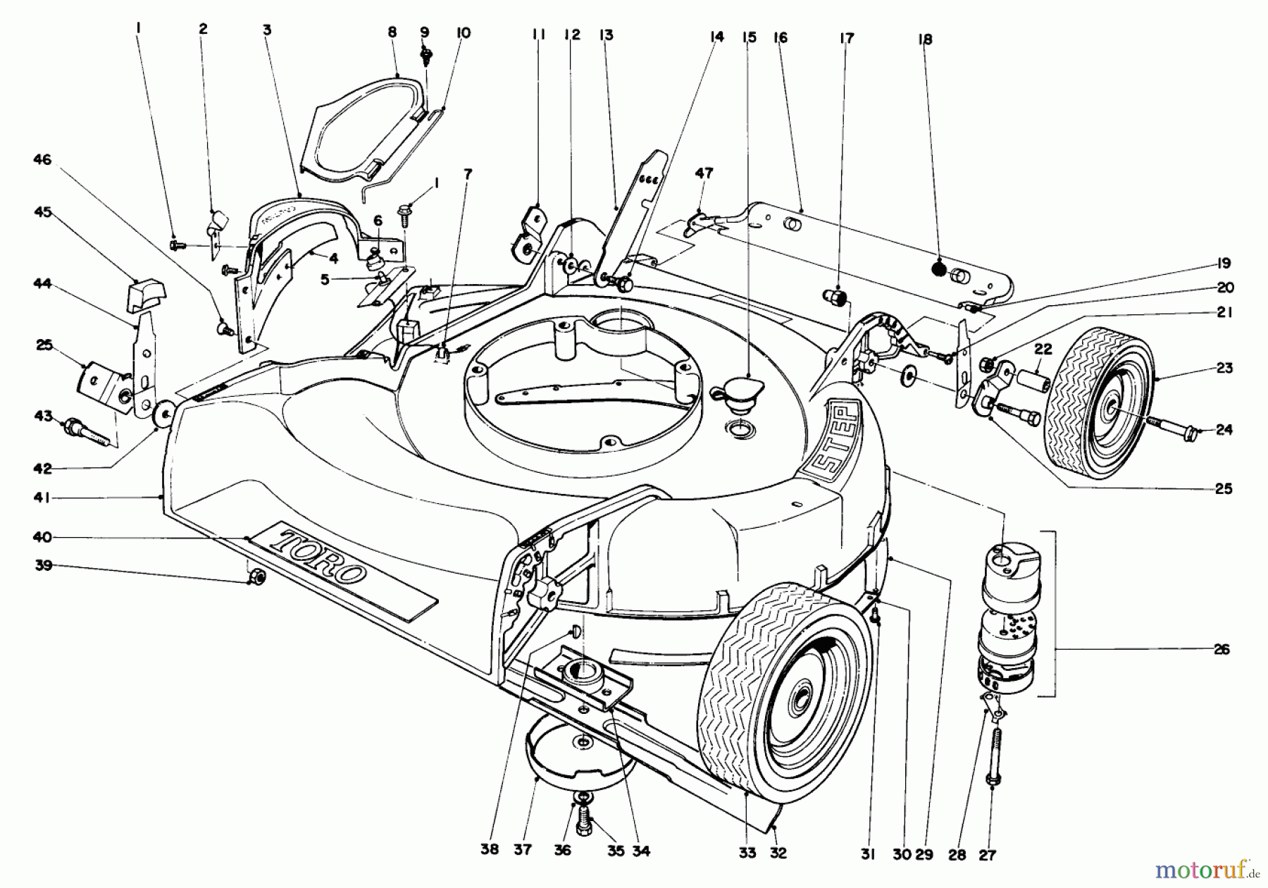
Toro 19173 - Guardian Lawnmower, 1973 (3000001-3999999) HOUSING ASSEMBLY MODEL 19173 Ersatzteile
HOUSING ASSEMBLY MODEL 19173 19173 - Toro Guardian Lawnmower, 1973 (3000001-3999999)

Hier finden Sie die Ersatzteilzeichnung für Toro Neu Mowers, Walk-Behind Seite 1 19173 - Toro Guardian Lawnmower, 1973 (3000001-3999999) HOUSING ASSEMBLY MODEL 19173. Wählen Sie das benötigte Ersatzteil aus der Ersatzteilliste Ihres Toro Gerätes aus und bestellen Sie einfach online. Viele Toro Ersatzteile halten wir ständig in unserem Lager für Sie bereit.







