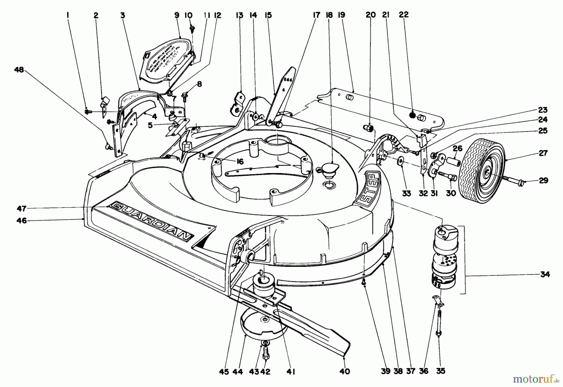
Toro 18257 - Guardian Lawnmower, 1972 (2000001-2999999) HOUSING ASSEMBLY MODEL NO. 18257 Ersatzteile
HOUSING ASSEMBLY MODEL NO. 18257 18257 - Toro Guardian Lawnmower, 1972 (2000001-2999999)

Hier finden Sie die Ersatzteilzeichnung für Toro Neu Mowers, Walk-Behind Seite 1 18257 - Toro Guardian Lawnmower, 1972 (2000001-2999999) HOUSING ASSEMBLY MODEL NO. 18257. Wählen Sie das benötigte Ersatzteil aus der Ersatzteilliste Ihres Toro Gerätes aus und bestellen Sie einfach online. Viele Toro Ersatzteile halten wir ständig in unserem Lager für Sie bereit.





