Toro 18257 - Guardian Lawnmower, 1972 (2000001-2999999) ENGINE TECUMSEH MODEL NO. LAV30-30482K Ersatzteile
ENGINE TECUMSEH MODEL NO. LAV30-30482K 18257 - Toro Guardian Lawnmower, 1972 (2000001-2999999)

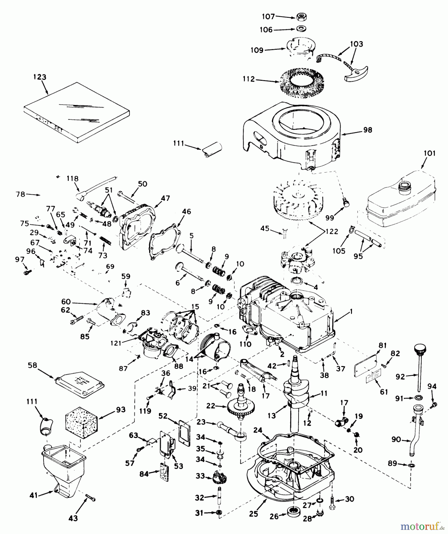
Hier finden Sie die Ersatzteilzeichnung für Toro Neu Mowers, Walk-Behind Seite 1 18257 - Toro Guardian Lawnmower, 1972 (2000001-2999999) ENGINE TECUMSEH MODEL NO. LAV30-30482K. Wählen Sie das benötigte Ersatzteil aus der Ersatzteilliste Ihres Toro Gerätes aus und bestellen Sie einfach online. Viele Toro Ersatzteile halten wir ständig in unserem Lager für Sie bereit.






