Toro 18214 - Whirlwind Lawnmower, 1969 (9000001-9999999) ENGINE MODEL NO. LAV30-30444H Ersatzteile
ENGINE MODEL NO. LAV30-30444H 18214 - Toro Whirlwind Lawnmower, 1969 (9000001-9999999)

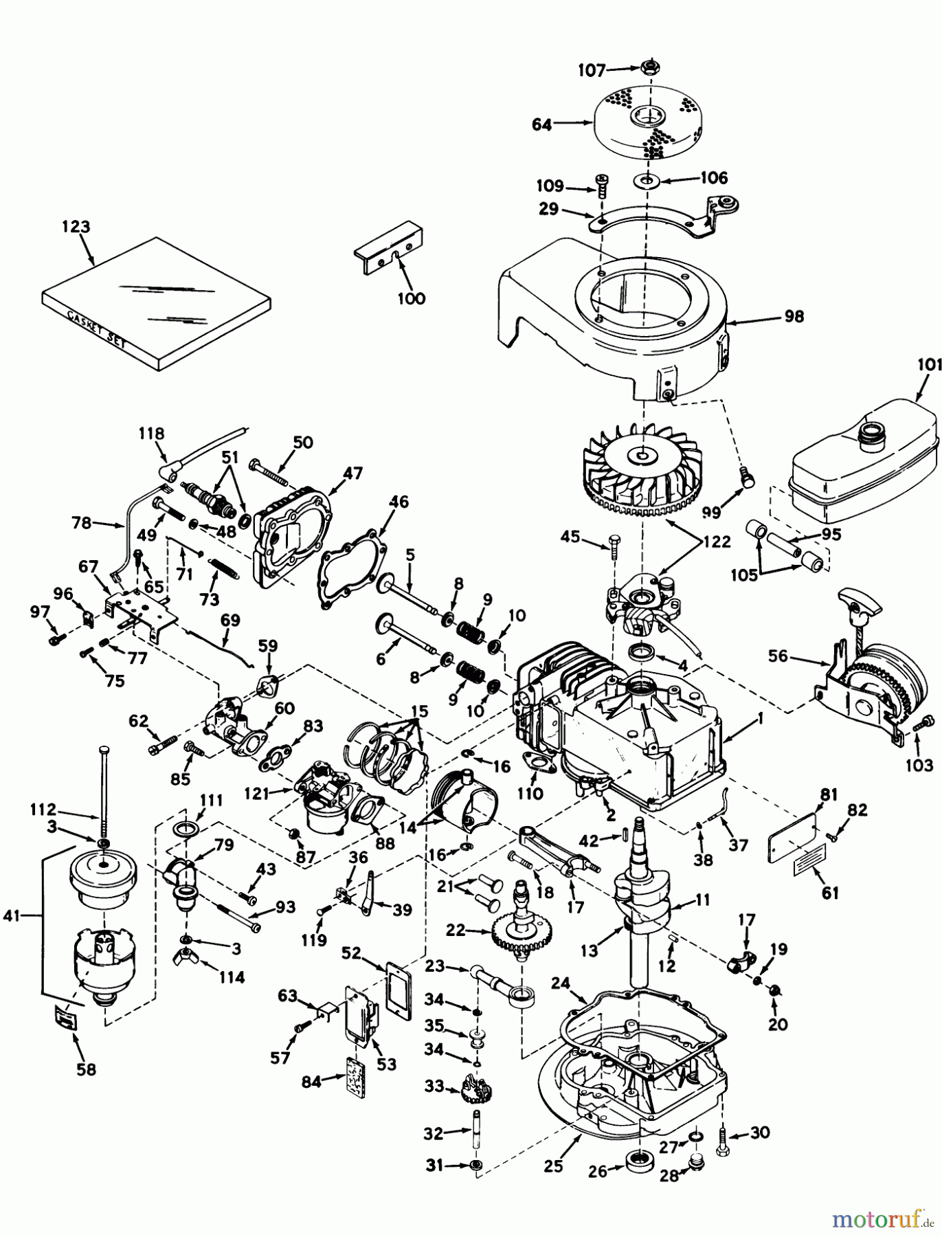
Hier finden Sie die Ersatzteilzeichnung für Toro Neu Mowers, Walk-Behind Seite 1 18214 - Toro Whirlwind Lawnmower, 1969 (9000001-9999999) ENGINE MODEL NO. LAV30-30444H. Wählen Sie das benötigte Ersatzteil aus der Ersatzteilliste Ihres Toro Gerätes aus und bestellen Sie einfach online. Viele Toro Ersatzteile halten wir ständig in unserem Lager für Sie bereit.


Qualitätsmanagement
Informieren Sie uns, wenn Sie einen Fehler gefunden haben.



