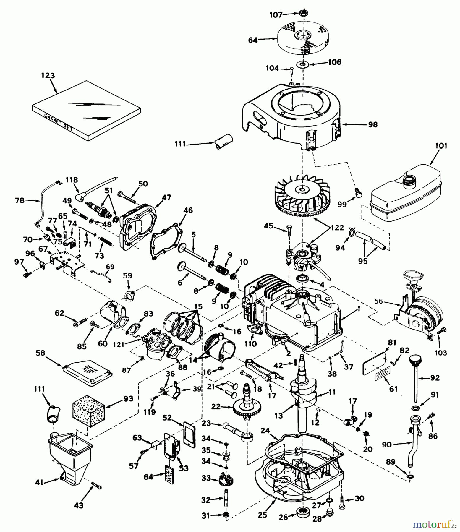
Toro 18070 - Lawnmower, 1972 (2000001-2999999) ENGINE TECUMSEH MODEL NO. LAV30-30481J Ersatzteile
ENGINE TECUMSEH MODEL NO. LAV30-30481J 18070 - Toro Lawnmower, 1972 (2000001-2999999)

Hier finden Sie die Ersatzteilzeichnung für Toro Neu Mowers, Walk-Behind Seite 1 18070 - Toro Lawnmower, 1972 (2000001-2999999) ENGINE TECUMSEH MODEL NO. LAV30-30481J. Wählen Sie das benötigte Ersatzteil aus der Ersatzteilliste Ihres Toro Gerätes aus und bestellen Sie einfach online. Viele Toro Ersatzteile halten wir ständig in unserem Lager für Sie bereit.


Qualitätsmanagement
Informieren Sie uns, wenn Sie einen Fehler gefunden haben.




