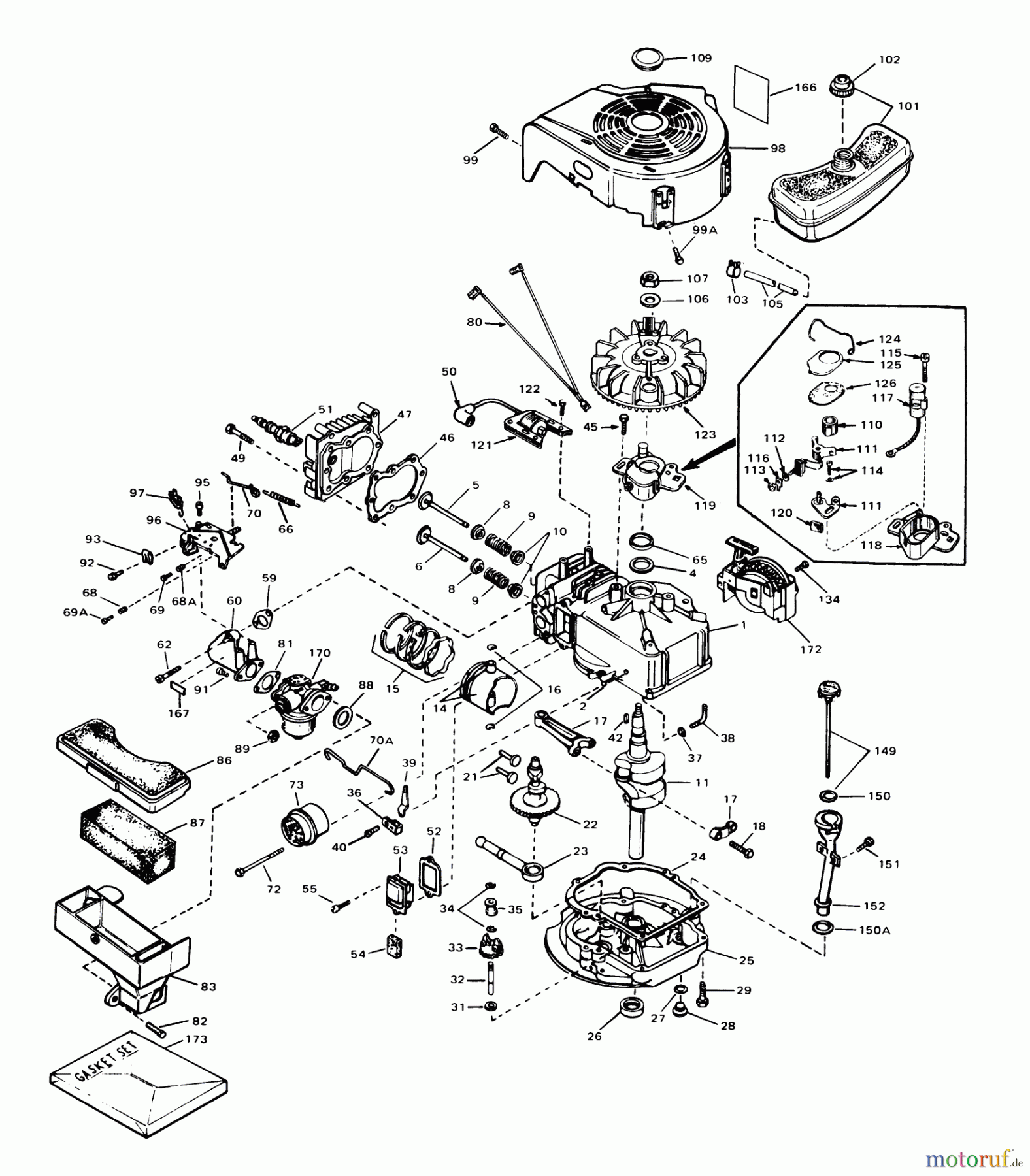
Toro 18017 - Lawnmower, 1980 (0000001-0999999) ENGINE TECUMSEH MODEL TVS 90-43007A Ersatzteile
ENGINE TECUMSEH MODEL TVS 90-43007A 18017 - Toro Lawnmower, 1980 (0000001-0999999)

Hier finden Sie die Ersatzteilzeichnung für Toro Neu Mowers, Walk-Behind Seite 1 18017 - Toro Lawnmower, 1980 (0000001-0999999) ENGINE TECUMSEH MODEL TVS 90-43007A. Wählen Sie das benötigte Ersatzteil aus der Ersatzteilliste Ihres Toro Gerätes aus und bestellen Sie einfach online. Viele Toro Ersatzteile halten wir ständig in unserem Lager für Sie bereit.


Qualitätsmanagement
Informieren Sie uns, wenn Sie einen Fehler gefunden haben.





