Toro 16870 - Lawnmower, 1981 (1000001-1999999) BRIGGS & STRATTON ENGINE MODEL NO. 92908-2055-01,BRIGGS & STRATTON ENGINE MODEL NO. 93508-0197-01, 21" HAND PROPELLED (MODEL 168 Ersatzteile
BRIGGS & STRATTON ENGINE MODEL NO. 92908-2055-01,BRIGGS & STRATTON ENGINE MODEL NO. 93508-0197-01, 21" HAND PROPELLED (MODEL 168 16870 - Toro Lawnmower, 1981 (1000001-1999999)

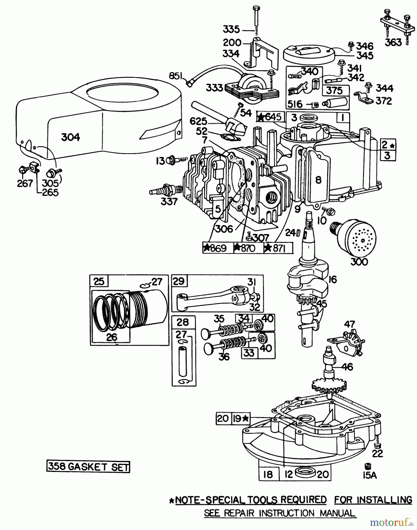
Hier finden Sie die Ersatzteilzeichnung für Toro Neu Mowers, Walk-Behind Seite 1 16870 - Toro Lawnmower, 1981 (1000001-1999999) BRIGGS & STRATTON ENGINE MODEL NO. 92908-2055-01,BRIGGS & STRATTON ENGINE MODEL NO. 93508-0197-01, 21" HAND PROPELLED (MODEL 168. Wählen Sie das benötigte Ersatzteil aus der Ersatzteilliste Ihres Toro Gerätes aus und bestellen Sie einfach online. Viele Toro Ersatzteile halten wir ständig in unserem Lager für Sie bereit.


Qualitätsmanagement
Informieren Sie uns, wenn Sie einen Fehler gefunden haben.






