Toro 16655 - Lawnmower, 1978 (8000001-8999999) HOUSING AND ENGINE ASSEMBLY Ersatzteile
HOUSING AND ENGINE ASSEMBLY 16655 - Toro Lawnmower, 1978 (8000001-8999999)

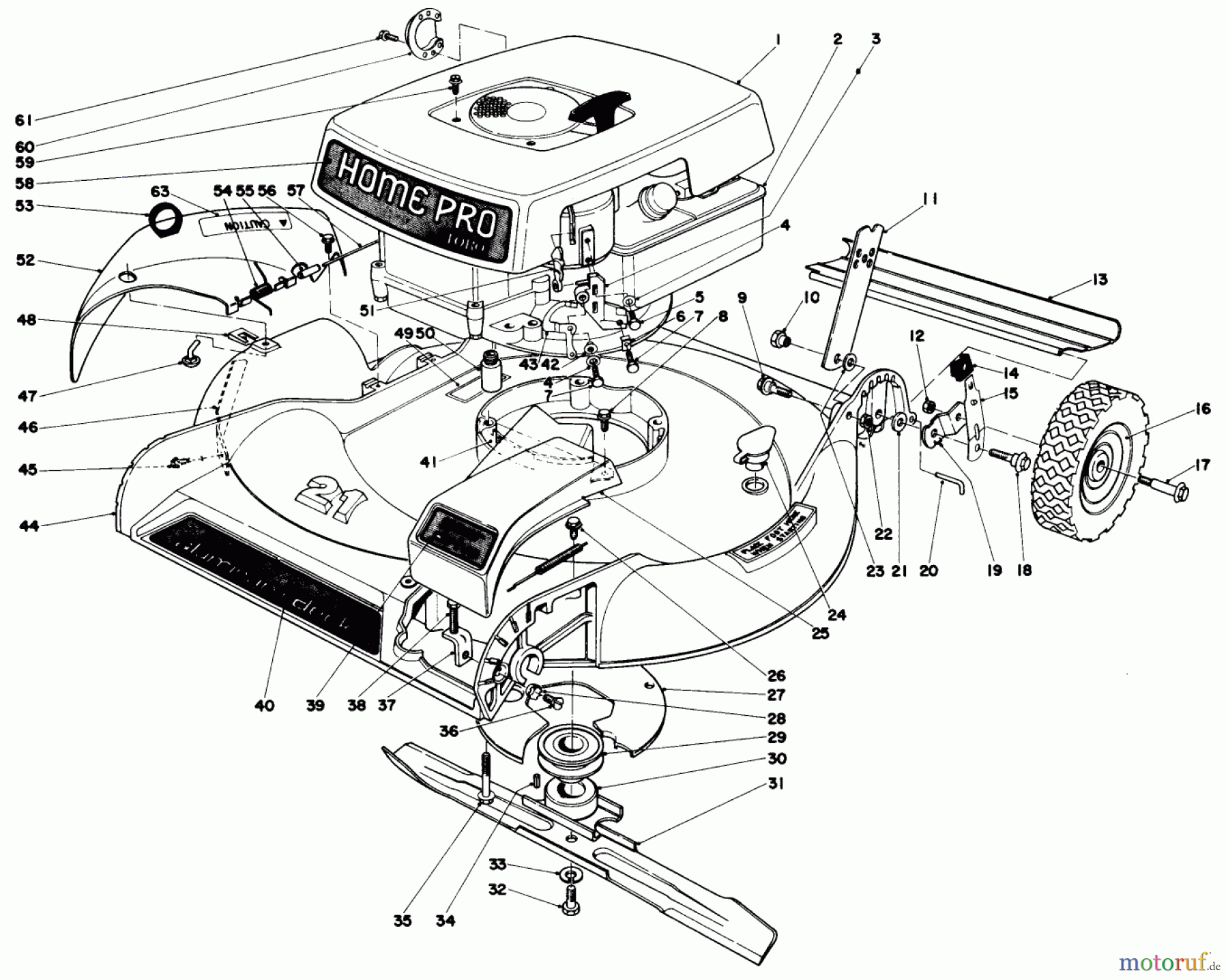
Hier finden Sie die Ersatzteilzeichnung für Toro Neu Mowers, Walk-Behind Seite 1 16655 - Toro Lawnmower, 1978 (8000001-8999999) HOUSING AND ENGINE ASSEMBLY. Wählen Sie das benötigte Ersatzteil aus der Ersatzteilliste Ihres Toro Gerätes aus und bestellen Sie einfach online. Viele Toro Ersatzteile halten wir ständig in unserem Lager für Sie bereit.


Qualitätsmanagement
Informieren Sie uns, wenn Sie einen Fehler gefunden haben.




