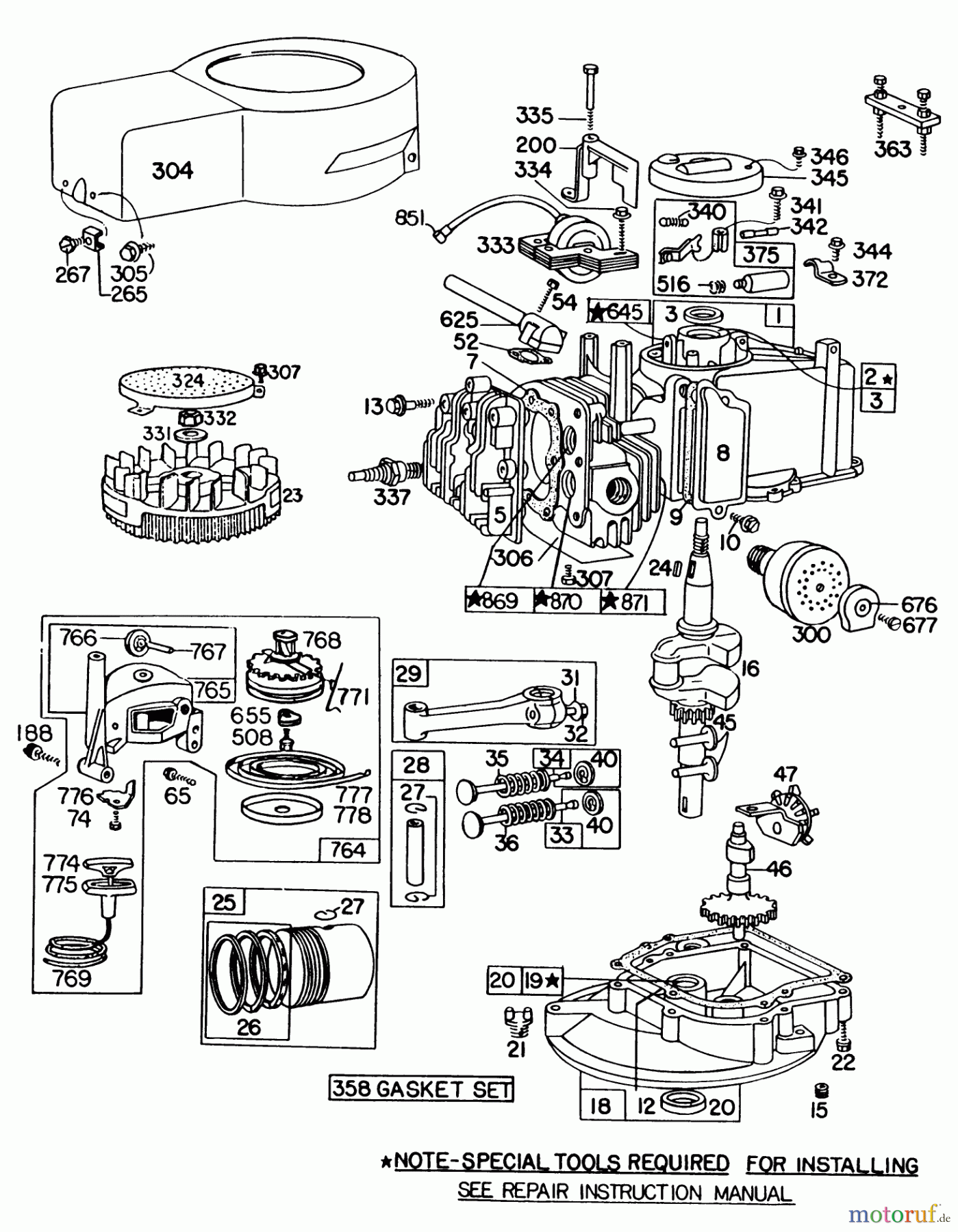
Toro 16600 - Lawnmower, 1978 (8000001-8999999) ENGINE BRIGGS & STRATTON MODEL NO. 92908-1844-01 Ersatzteile
ENGINE BRIGGS & STRATTON MODEL NO. 92908-1844-01 16600 - Toro Lawnmower, 1978 (8000001-8999999)

Hier finden Sie die Ersatzteilzeichnung für Toro Neu Mowers, Walk-Behind Seite 1 16600 - Toro Lawnmower, 1978 (8000001-8999999) ENGINE BRIGGS & STRATTON MODEL NO. 92908-1844-01. Wählen Sie das benötigte Ersatzteil aus der Ersatzteilliste Ihres Toro Gerätes aus und bestellen Sie einfach online. Viele Toro Ersatzteile halten wir ständig in unserem Lager für Sie bereit.








