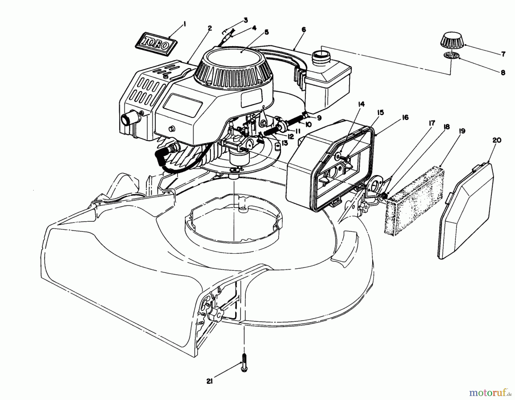
Toro 16585 - Lawnmower, 1987 (7000001-7999999) ENGINE ASSEMBLY (MODEL NO. 47PF5) (USED ON UNITS WITH SERIAL NO. 7000001-7002104) Ersatzteile
ENGINE ASSEMBLY (MODEL NO. 47PF5) (USED ON UNITS WITH SERIAL NO. 7000001-7002104) 16585 - Toro Lawnmower, 1987 (7000001-7999999)

Hier finden Sie die Ersatzteilzeichnung für Toro Neu Mowers, Walk-Behind Seite 1 16585 - Toro Lawnmower, 1987 (7000001-7999999) ENGINE ASSEMBLY (MODEL NO. 47PF5) (USED ON UNITS WITH SERIAL NO. 7000001-7002104). Wählen Sie das benötigte Ersatzteil aus der Ersatzteilliste Ihres Toro Gerätes aus und bestellen Sie einfach online. Viele Toro Ersatzteile halten wir ständig in unserem Lager für Sie bereit.





