Toro 16575 - Lawnmower, 1987 (7000001-7999999) ENGINE TECUMSEH MODEL NO. TVS100-44012A Ersatzteile
ENGINE TECUMSEH MODEL NO. TVS100-44012A 16575 - Toro Lawnmower, 1987 (7000001-7999999)

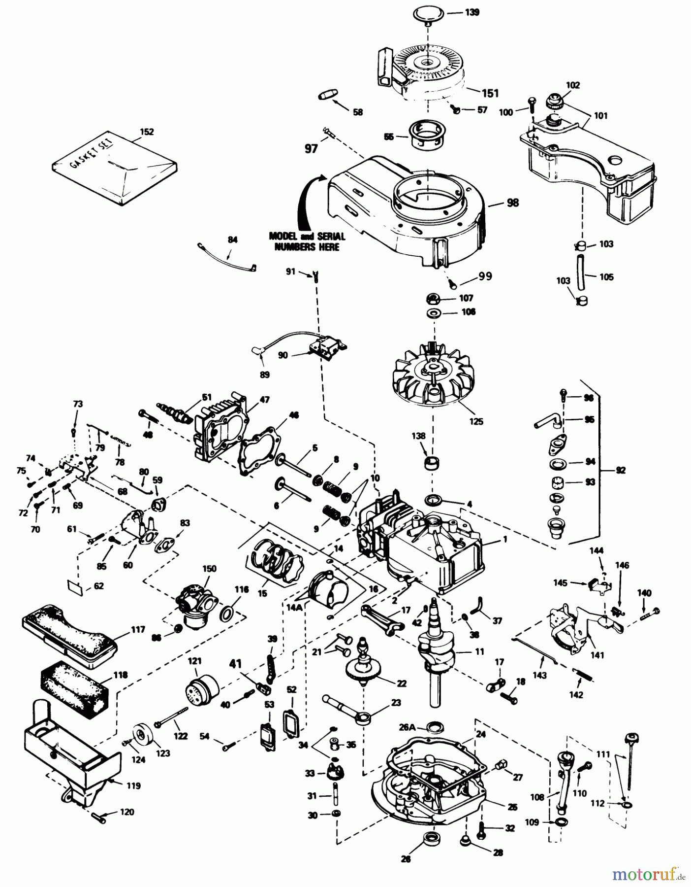
Hier finden Sie die Ersatzteilzeichnung für Toro Neu Mowers, Walk-Behind Seite 1 16575 - Toro Lawnmower, 1987 (7000001-7999999) ENGINE TECUMSEH MODEL NO. TVS100-44012A. Wählen Sie das benötigte Ersatzteil aus der Ersatzteilliste Ihres Toro Gerätes aus und bestellen Sie einfach online. Viele Toro Ersatzteile halten wir ständig in unserem Lager für Sie bereit.







