Toro 16570 - Lawnmower, 1983 (3000001-3999999) CARBURETOR ASSEMBLY NO. 632050A Ersatzteile
CARBURETOR ASSEMBLY NO. 632050A 16570 - Toro Lawnmower, 1983 (3000001-3999999)

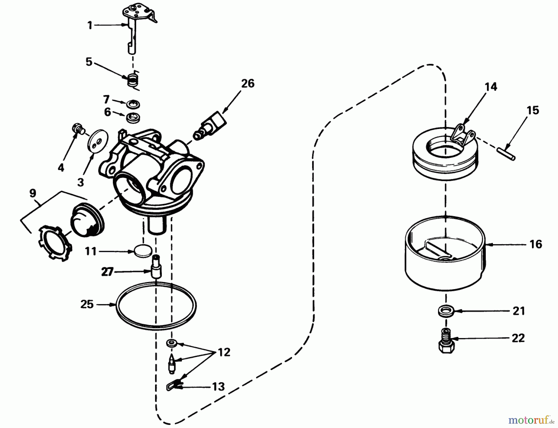
Hier finden Sie die Ersatzteilzeichnung für Toro Neu Mowers, Walk-Behind Seite 1 16570 - Toro Lawnmower, 1983 (3000001-3999999) CARBURETOR ASSEMBLY NO. 632050A. Wählen Sie das benötigte Ersatzteil aus der Ersatzteilliste Ihres Toro Gerätes aus und bestellen Sie einfach online. Viele Toro Ersatzteile halten wir ständig in unserem Lager für Sie bereit.
| BildNr | Artikel Nummer | Bezeichnung | |
| 1 | TC631615 | WELLE U, HEBEL | |
| 3 | TC631616 | SHUTTER | |
| 4 | TC650506 | SCHRAUBE | |
| 5 | TC631767 | FEDER | |
| 6 | TC631183 | SCHEIBE | |
| 7 | TC631184 | WASHER | |
| 9 | ![]() | TC632047A | PRIMER |
| 11 | TC631027 | WELCH PLUG | |
| 12 | TC631021B | INLET NEEDLE | |
| 13 | TC631022 | KLEMME | |
| 14 | TC632019A | FLOAT | |
| 15 | TC631024 | FLOAT SHAFT | |
| 16 | TC631700 | SCHWIMMERGEHAEUSE | |
| 21 | TC631334A | DICHTUNG | |
| 22 | TC631935A | NUT | |
| 25 | TC631028A | DICHTUNG | |
| 26 | TC631807 | FUEL FITTING | |
| 27 | TC632158 | DISTANZSTUECK | |




