MTD-Motoren 8X90KUB 752Z8X90KUB (2019) Regler, Schwungrad, Zündung Ersatzteile
Regler, Schwungrad, Zündung 752Z8X90KUB (2019)

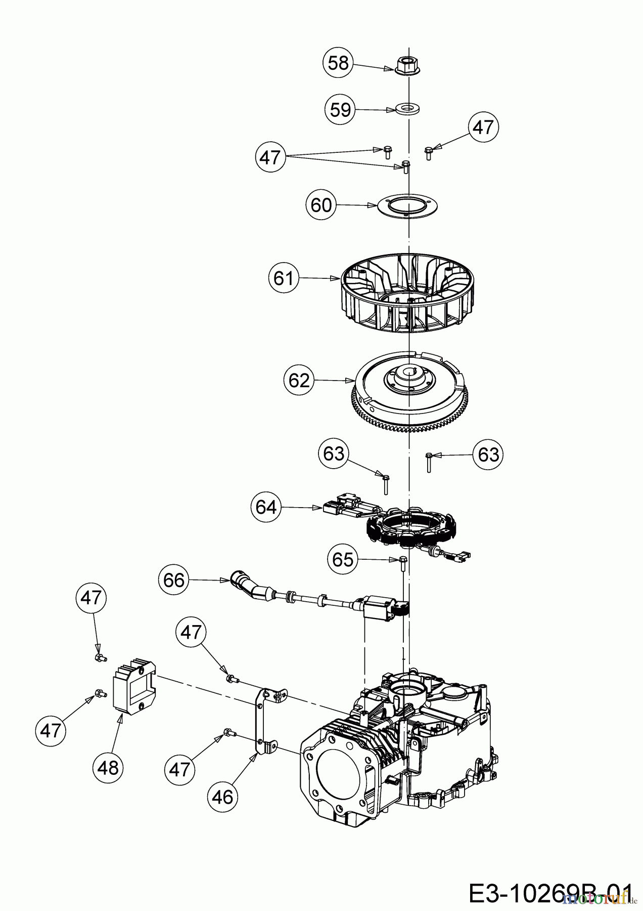
Hier finden Sie die Ersatzteilzeichnung für MTD-Motoren Vertikal 8X90KUB 752Z8X90KUB (2019) Regler, Schwungrad, Zündung. Wählen Sie das benötigte Ersatzteil aus der Ersatzteilliste Ihres MTD-Motoren Gerätes aus und bestellen Sie einfach online. Viele MTD-Motoren Ersatzteile halten wir ständig in unserem Lager für Sie bereit.
| BildNr | Artikel Nummer | Bezeichnung | |
| 46 | 751-15198 | HALTER | |
| 47 | 710-04916 | SCHRAUBE M6X14 | |
| 48 | ![]() | 751-15920 | REGLER |
| 58 | 712-05102 | MUTTER M20X1.5 | |
| 59 | 736-05110 | UNTERLEGSCHEIBE 20.5X5X40 | |
| 60 | 751-14889 | LAGERPLATTE | |
| 61 | 731-10866 | LÜFTER | |
| 62 | 751-15494 | SCHWUNGRAD | |
| 63 | 710-06448 | SCHRAUBE M5X28 | |
| 64 | 751-15859 | LADESPULE | |
| 65 | 710-04943 | ||
| 66 | 794-00128 | ZÜNDSPULE | |


Qualitätsmanagement
Informieren Sie uns, wenn Sie einen Fehler gefunden haben.


