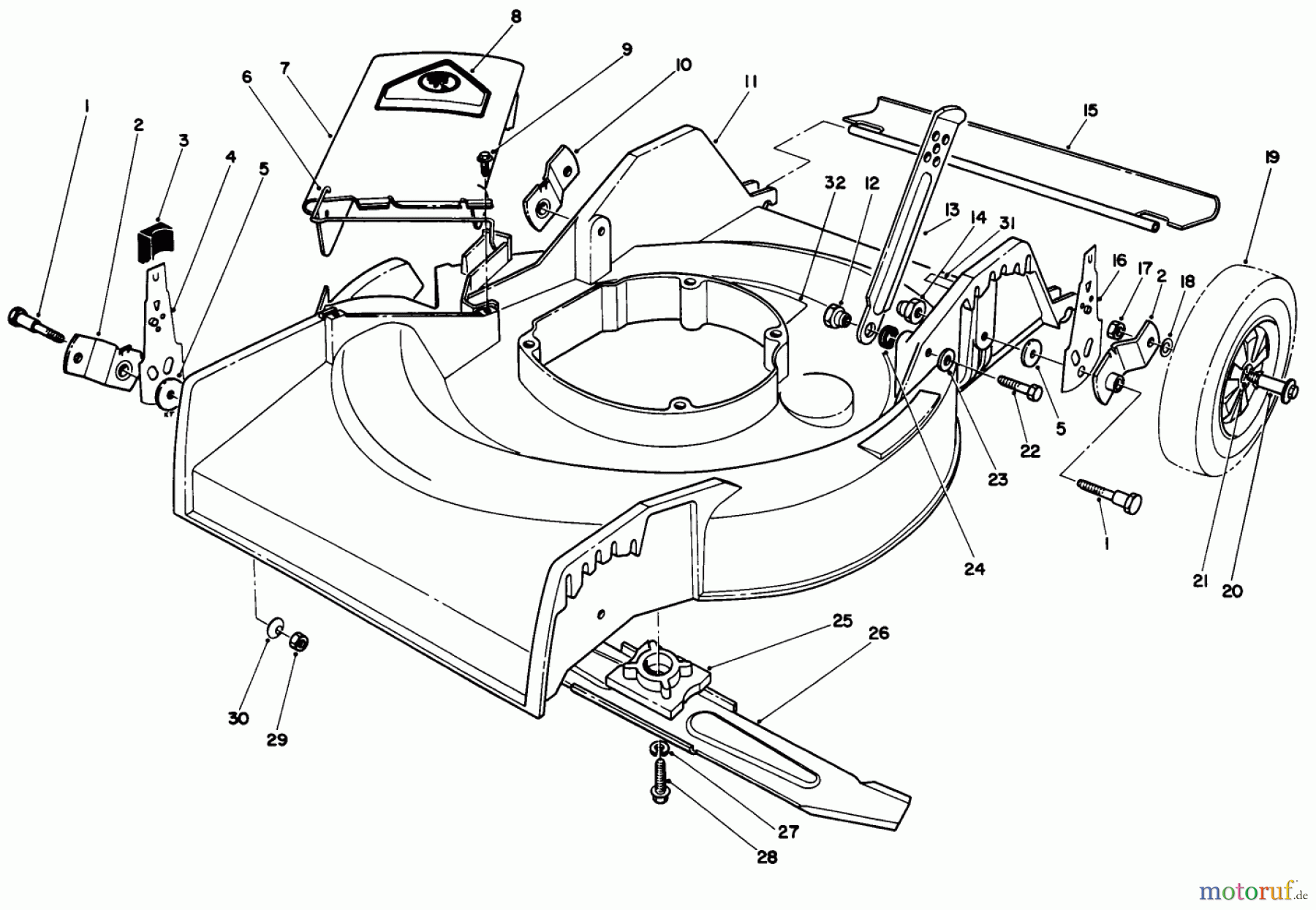
Toro 16400 - 21" Side Discharge Mower, 1994 (4900001-4999999) HOUSING ASSEMBLY Ersatzteile
HOUSING ASSEMBLY 16400 - Toro 21" Side Discharge Mower, 1994 (4900001-4999999)

Hier finden Sie die Ersatzteilzeichnung für Toro Neu Mowers, Walk-Behind Seite 1 16400 - Toro 21" Side Discharge Mower, 1994 (4900001-4999999) HOUSING ASSEMBLY. Wählen Sie das benötigte Ersatzteil aus der Ersatzteilliste Ihres Toro Gerätes aus und bestellen Sie einfach online. Viele Toro Ersatzteile halten wir ständig in unserem Lager für Sie bereit.










