Toro 16390 - Whirlwind PowR, 1981 (1000001-1999999) GEAR BOX ASSEMBLY Ersatzteile
GEAR BOX ASSEMBLY 16390 - Toro Whirlwind PowR, 1981 (1000001-1999999)

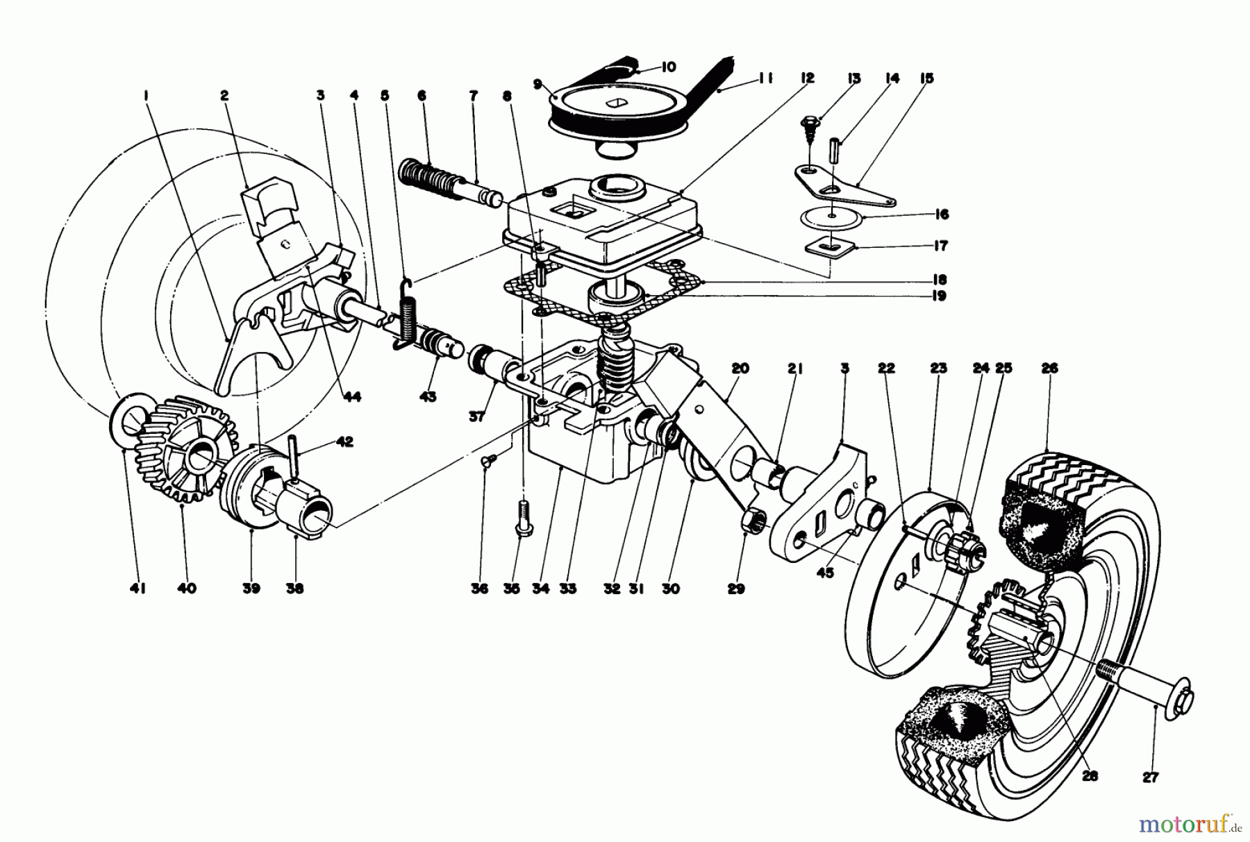
Hier finden Sie die Ersatzteilzeichnung für Toro Neu Mowers, Walk-Behind Seite 1 16390 - Toro Whirlwind PowR, 1981 (1000001-1999999) GEAR BOX ASSEMBLY. Wählen Sie das benötigte Ersatzteil aus der Ersatzteilliste Ihres Toro Gerätes aus und bestellen Sie einfach online. Viele Toro Ersatzteile halten wir ständig in unserem Lager für Sie bereit.


Qualitätsmanagement
Informieren Sie uns, wenn Sie einen Fehler gefunden haben.



