Toro 16360 - Whirlwind, 1980 (0000001-0999999) ENGINE BRIGGS & STRATTON MODEL 92508-1000-04 Ersatzteile
ENGINE BRIGGS & STRATTON MODEL 92508-1000-04 16360 - Toro Whirlwind, 1980 (0000001-0999999)

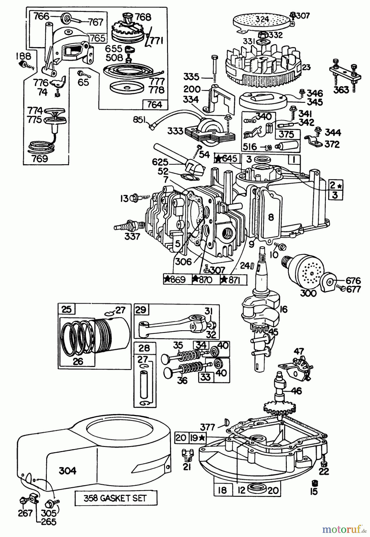
Hier finden Sie die Ersatzteilzeichnung für Toro Neu Mowers, Walk-Behind Seite 1 16360 - Toro Whirlwind, 1980 (0000001-0999999) ENGINE BRIGGS & STRATTON MODEL 92508-1000-04. Wählen Sie das benötigte Ersatzteil aus der Ersatzteilliste Ihres Toro Gerätes aus und bestellen Sie einfach online. Viele Toro Ersatzteile halten wir ständig in unserem Lager für Sie bereit.









