Toro 16360 - Whirlwind, 1979 (9000001-9999999) ENGINE BRIGGS & STRATTON MODEL 92908-1842-04 FOR 21" SELF PROPELLED MODEL 16390 Ersatzteile
ENGINE BRIGGS & STRATTON MODEL 92908-1842-04 FOR 21" SELF PROPELLED MODEL 16390 16360 - Toro Whirlwind, 1979 (9000001-9999999)

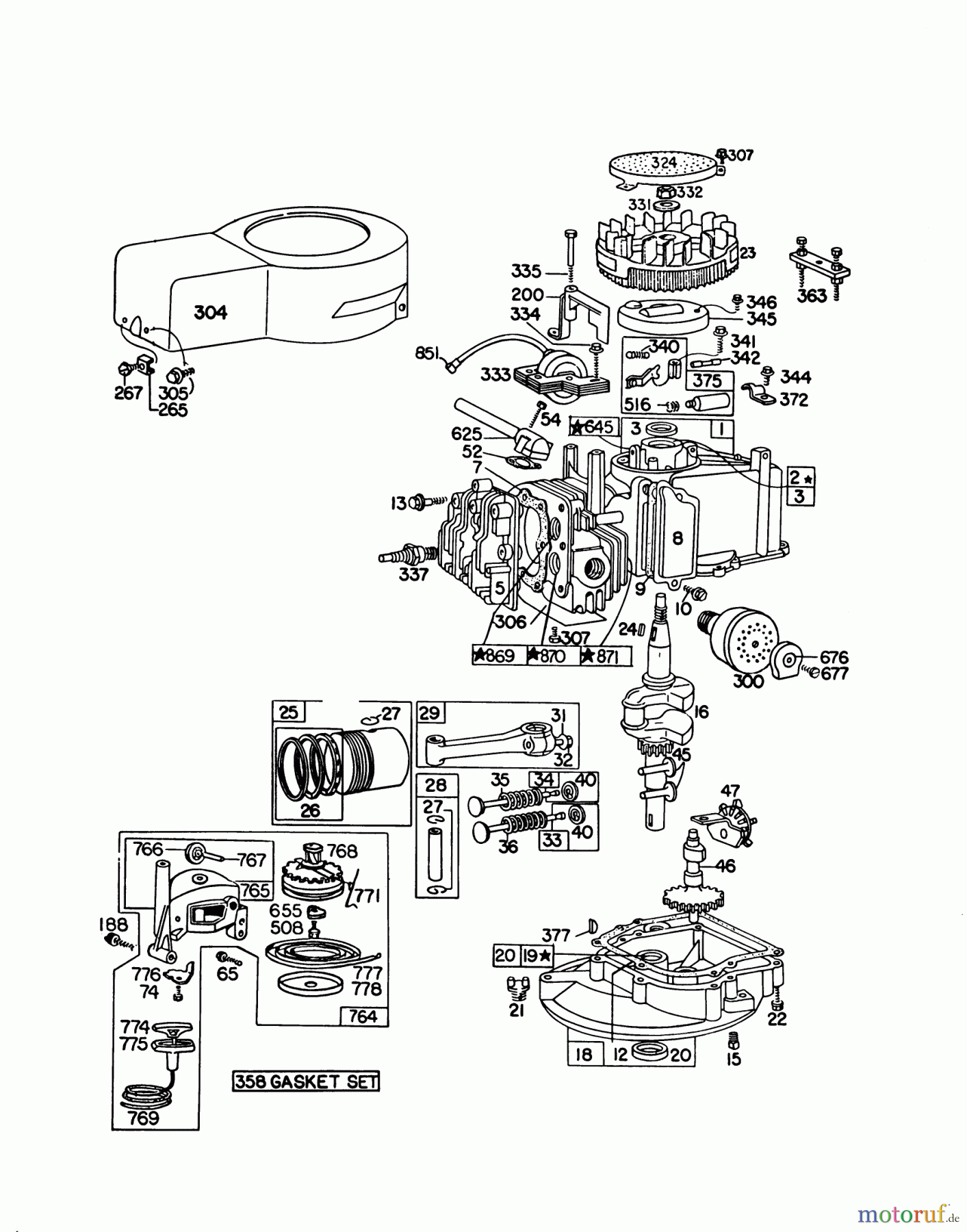
Hier finden Sie die Ersatzteilzeichnung für Toro Neu Mowers, Walk-Behind Seite 1 16360 - Toro Whirlwind, 1979 (9000001-9999999) ENGINE BRIGGS & STRATTON MODEL 92908-1842-04 FOR 21" SELF PROPELLED MODEL 16390. Wählen Sie das benötigte Ersatzteil aus der Ersatzteilliste Ihres Toro Gerätes aus und bestellen Sie einfach online. Viele Toro Ersatzteile halten wir ständig in unserem Lager für Sie bereit.


Qualitätsmanagement
Informieren Sie uns, wenn Sie einen Fehler gefunden haben.






