Toro 16350 - Lawnmower, 1980 (0000001-0999999) ENGINE BRIGGS & STRATTON MODEL 92508-1033-02 Ersatzteile
ENGINE BRIGGS & STRATTON MODEL 92508-1033-02 16350 - Toro Lawnmower, 1980 (0000001-0999999)

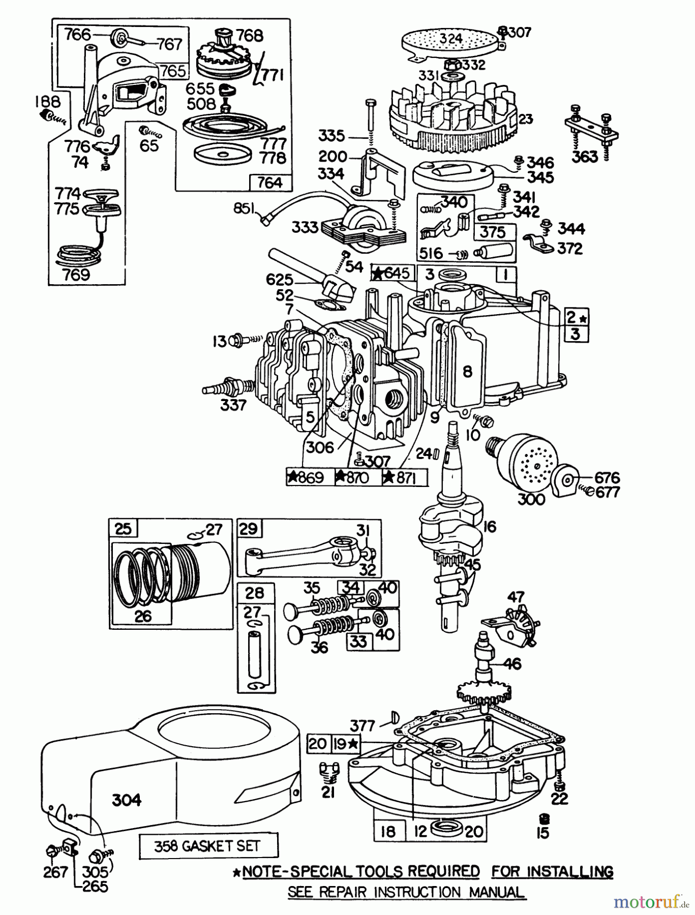
Hier finden Sie die Ersatzteilzeichnung für Toro Neu Mowers, Walk-Behind Seite 1 16350 - Toro Lawnmower, 1980 (0000001-0999999) ENGINE BRIGGS & STRATTON MODEL 92508-1033-02. Wählen Sie das benötigte Ersatzteil aus der Ersatzteilliste Ihres Toro Gerätes aus und bestellen Sie einfach online. Viele Toro Ersatzteile halten wir ständig in unserem Lager für Sie bereit.









