Toro 16340C - Lawnmower, 1986 (6000001-6999999) REWIND STARTER N0. 590531 Ersatzteile
REWIND STARTER N0. 590531 16340C - Toro Lawnmower, 1986 (6000001-6999999)

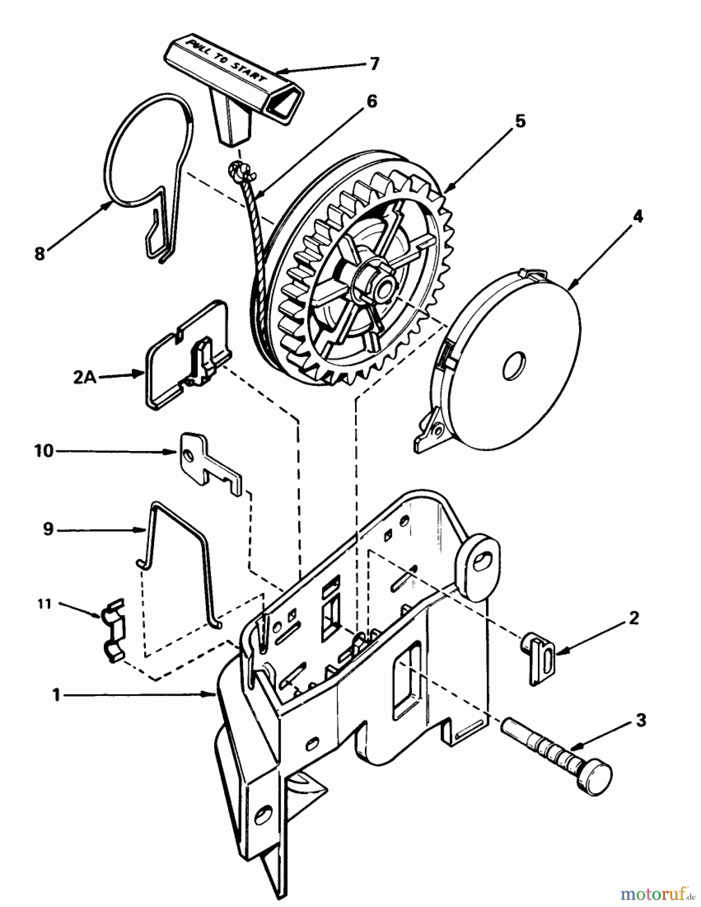
Hier finden Sie die Ersatzteilzeichnung für Toro Neu Mowers, Walk-Behind Seite 1 16340C - Toro Lawnmower, 1986 (6000001-6999999) REWIND STARTER N0. 590531. Wählen Sie das benötigte Ersatzteil aus der Ersatzteilliste Ihres Toro Gerätes aus und bestellen Sie einfach online. Viele Toro Ersatzteile halten wir ständig in unserem Lager für Sie bereit.


Qualitätsmanagement
Informieren Sie uns, wenn Sie einen Fehler gefunden haben.

