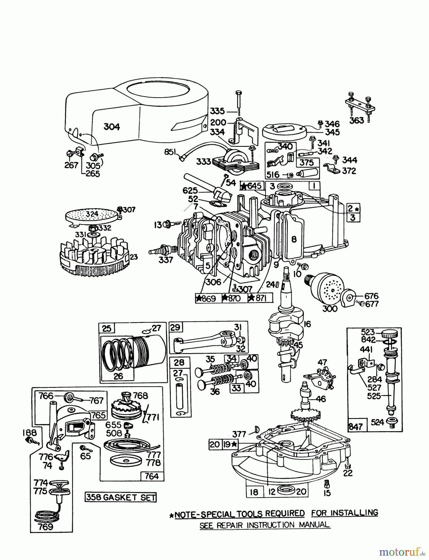
Toro 16310 - Lawnmower, 1979 (9000001-9999999) ENGINE BRIGGS & STRATTON MODEL 92908-1931-02 FOR 21" HAND PROPELLED MODEL 16310 Ersatzteile
ENGINE BRIGGS & STRATTON MODEL 92908-1931-02 FOR 21" HAND PROPELLED MODEL 16310 16310 - Toro Lawnmower, 1979 (9000001-9999999)

Hier finden Sie die Ersatzteilzeichnung für Toro Neu Mowers, Walk-Behind Seite 1 16310 - Toro Lawnmower, 1979 (9000001-9999999) ENGINE BRIGGS & STRATTON MODEL 92908-1931-02 FOR 21" HAND PROPELLED MODEL 16310. Wählen Sie das benötigte Ersatzteil aus der Ersatzteilliste Ihres Toro Gerätes aus und bestellen Sie einfach online. Viele Toro Ersatzteile halten wir ständig in unserem Lager für Sie bereit.


Qualitätsmanagement
Informieren Sie uns, wenn Sie einen Fehler gefunden haben.






