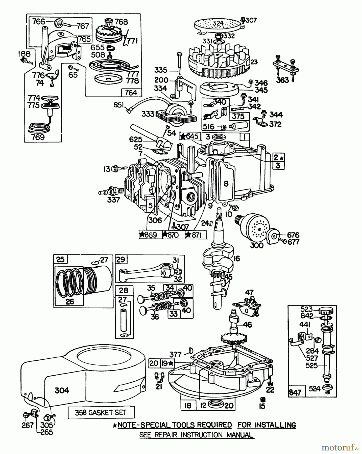
Toro 16300 - Lawnmower, 1981 (1000001-1999999) ENGINE BRIGGS & STRATTON MODEL 92508-1033-01 FOR 19" HAND PROPELLED MODEL 16300 Ersatzteile
ENGINE BRIGGS & STRATTON MODEL 92508-1033-01 FOR 19" HAND PROPELLED MODEL 16300 16300 - Toro Lawnmower, 1981 (1000001-1999999)

Hier finden Sie die Ersatzteilzeichnung für Toro Neu Mowers, Walk-Behind Seite 1 16300 - Toro Lawnmower, 1981 (1000001-1999999) ENGINE BRIGGS & STRATTON MODEL 92508-1033-01 FOR 19" HAND PROPELLED MODEL 16300. Wählen Sie das benötigte Ersatzteil aus der Ersatzteilliste Ihres Toro Gerätes aus und bestellen Sie einfach online. Viele Toro Ersatzteile halten wir ständig in unserem Lager für Sie bereit.


Qualitätsmanagement
Informieren Sie uns, wenn Sie einen Fehler gefunden haben.







