Toro 16299 - Lawnmower, 1985 (5000001-5999999) STARTER NO. 590531 Ersatzteile
STARTER NO. 590531 16299 - Toro Lawnmower, 1985 (5000001-5999999)

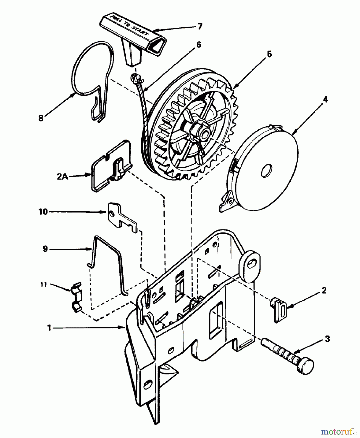
Hier finden Sie die Ersatzteilzeichnung für Toro Neu Mowers, Walk-Behind Seite 1 16299 - Toro Lawnmower, 1985 (5000001-5999999) STARTER NO. 590531. Wählen Sie das benötigte Ersatzteil aus der Ersatzteilliste Ihres Toro Gerätes aus und bestellen Sie einfach online. Viele Toro Ersatzteile halten wir ständig in unserem Lager für Sie bereit.
| BildNr | Artikel Nummer | Bezeichnung | |
| 1 | TC590523 | HALTER | |
| 2 | TC590524 | LOCKING PAWL | |
| 2A | TC590538 | ||
| 3 | TC590525 | STIFT | |
| 4 | TC590526 | STARTERFEDER | |
| 5 | TC590522 | SEILSCHEIBE | |
| 6 | TC590535 | STARTERSEIL | |
| 7 | TC590701 | STARTERGRIFF | |
| 8 | TC590528 | BRAKE | |
| 9 | TC590529 | CLIP | |
| 10 | TC590530 | KEIL | |
| 11 | TC590500 | WASHER | |


Qualitätsmanagement
Informieren Sie uns, wenn Sie einen Fehler gefunden haben.

