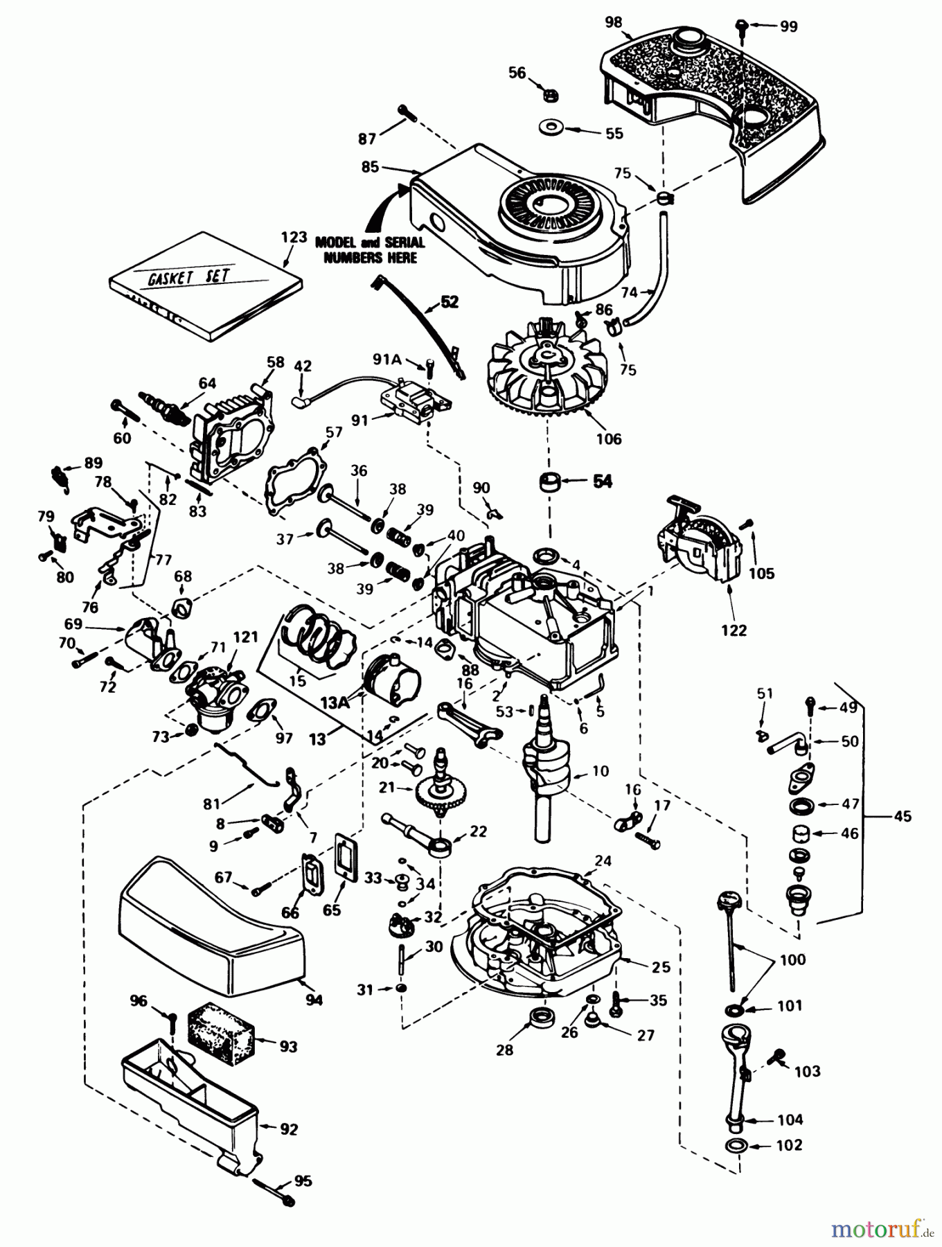
Toro 16299 - Lawnmower, 1985 (5000001-5999999) ENGINE TECUMSEH MODEL NO. TNT 100-10086E Ersatzteile
ENGINE TECUMSEH MODEL NO. TNT 100-10086E 16299 - Toro Lawnmower, 1985 (5000001-5999999)

Hier finden Sie die Ersatzteilzeichnung für Toro Neu Mowers, Walk-Behind Seite 1 16299 - Toro Lawnmower, 1985 (5000001-5999999) ENGINE TECUMSEH MODEL NO. TNT 100-10086E. Wählen Sie das benötigte Ersatzteil aus der Ersatzteilliste Ihres Toro Gerätes aus und bestellen Sie einfach online. Viele Toro Ersatzteile halten wir ständig in unserem Lager für Sie bereit.







