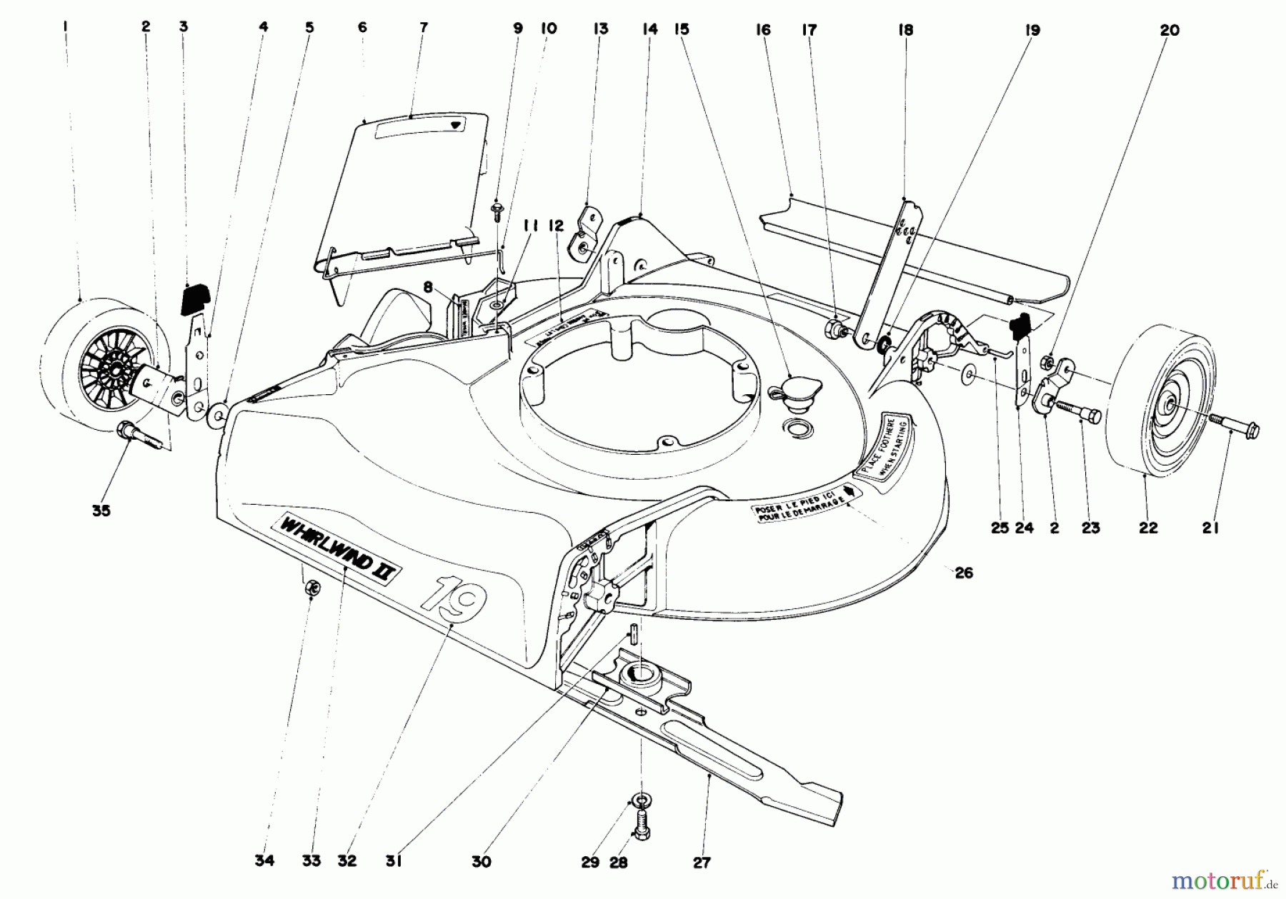
Toro 16287 - Whirlwind II Lawnmower, 1979 (9000001-9999999) HOUSING ASSEMBLY MODEL 16067 AND 16155 Ersatzteile
HOUSING ASSEMBLY MODEL 16067 AND 16155 16287 - Toro Whirlwind II Lawnmower, 1979 (9000001-9999999)

Hier finden Sie die Ersatzteilzeichnung für Toro Neu Mowers, Walk-Behind Seite 1 16287 - Toro Whirlwind II Lawnmower, 1979 (9000001-9999999) HOUSING ASSEMBLY MODEL 16067 AND 16155. Wählen Sie das benötigte Ersatzteil aus der Ersatzteilliste Ihres Toro Gerätes aus und bestellen Sie einfach online. Viele Toro Ersatzteile halten wir ständig in unserem Lager für Sie bereit.


Qualitätsmanagement
Informieren Sie uns, wenn Sie einen Fehler gefunden haben.



