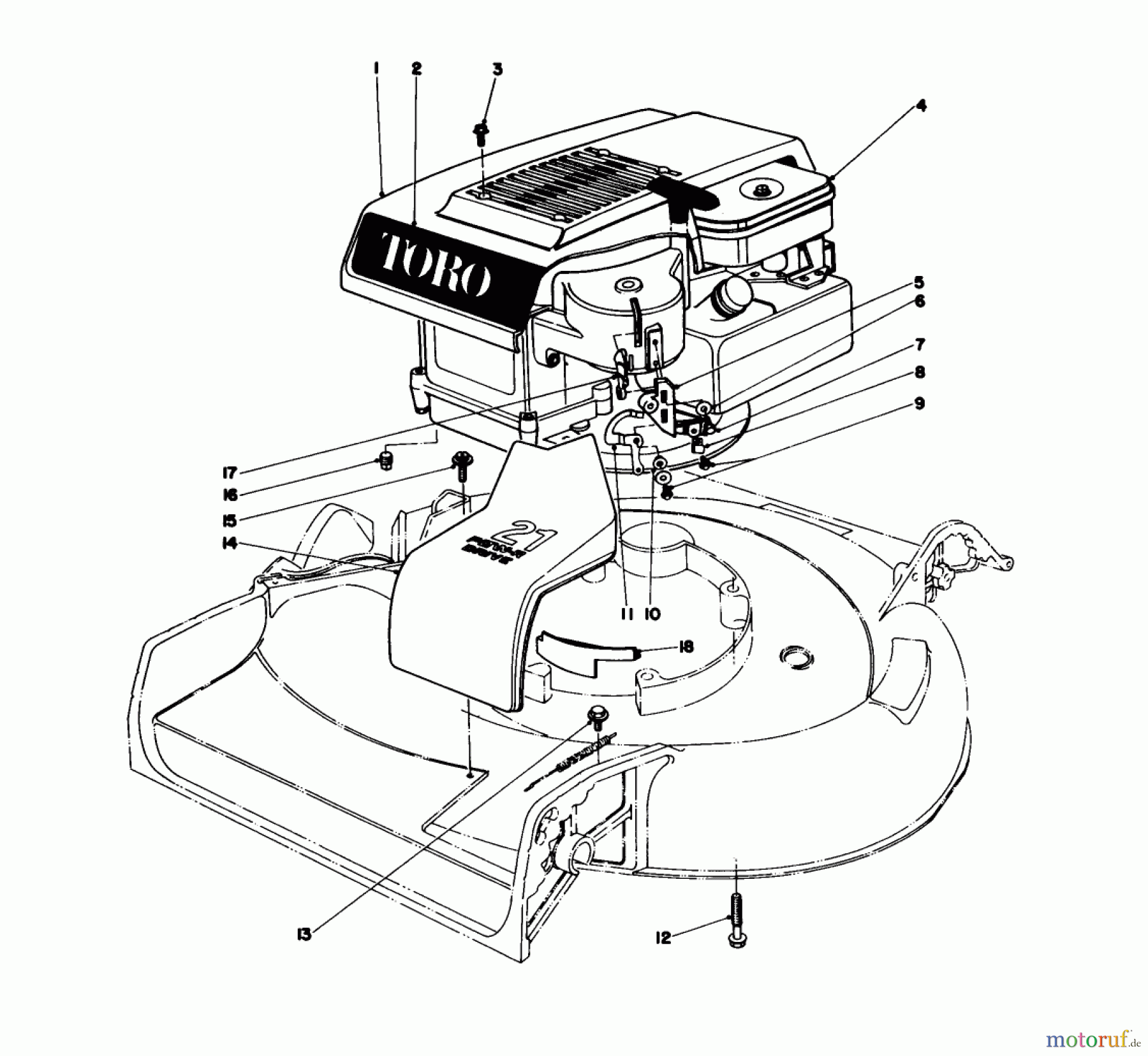
Toro 16287 - Whirlwind II Lawnmower, 1977 (7000001-7999999) ENGINE ASSEMBLY MODEL 16287 Ersatzteile
ENGINE ASSEMBLY MODEL 16287 16287 - Toro Whirlwind II Lawnmower, 1977 (7000001-7999999)

Hier finden Sie die Ersatzteilzeichnung für Toro Neu Mowers, Walk-Behind Seite 1 16287 - Toro Whirlwind II Lawnmower, 1977 (7000001-7999999) ENGINE ASSEMBLY MODEL 16287. Wählen Sie das benötigte Ersatzteil aus der Ersatzteilliste Ihres Toro Gerätes aus und bestellen Sie einfach online. Viele Toro Ersatzteile halten wir ständig in unserem Lager für Sie bereit.


Qualitätsmanagement
Informieren Sie uns, wenn Sie einen Fehler gefunden haben.


